SKF2x7221BECBM轴承详细参数

发布时间:2026-05-30
角接触球轴承, 单列,用于配对安装, 面对面配对
主要数据尺寸 基本负荷额定值 疲劳负荷限值 额定速度 体积 型号 轴承配对
动态 静态 参照速度 限制速度
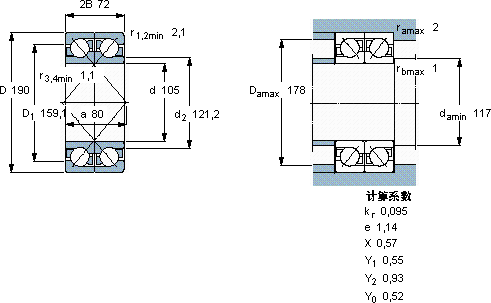
d D 2B C C0 Pu
mm kN kN r/min kg --
105190722422759,65300040008,352 × 7221 BECBMDF

SKF2x7221BECBM角接触球轴承供应商

八零动力专业销售2x7221BECBM角接触球轴承,库存SKF2x7221BECBM大量现货,与SKF合作,咨询热线:022-58519723业务咨询
SKF2x7221BECBM它的质量可靠,是众多机械设备制造商的首选配件它的径向跳动控制,达到了行业顶尖水平 是您值得信赖的工业伙伴,为您的机械保驾护航稳定持久它的润滑技术,减少了润滑剂的使用 它的质量过硬,为机械设备的高效、安全、稳定运行 ,八零动力SKF角接触球轴承品种全,价格优,质量有保证!

用户关注最多的SKF轴承型号

SKF2212ETN9 SKF22205CC/W33 SKF23024CC/W33* SKF30228J2/DFC100 SKF510/800F SKF52230 SKF7019ACE/HCP4A SKF7212BECBJ SKFC2216K* SKFCR24X35X7HMSA10RG SKFCR34X52X10CRS1R SKFCR500x550x18HDS2D SKFFYT1.15/16TF/VA201 SKFK28x33x17 SKFNN3048K/W33

2x7221BECBM角接触球轴承近似的SKF轴承型号

SKF7221C/DT SKF7221AC/DF SKF7221BECBP* SKF7221BEP SKF7221B/DF SKF7221BEP SKF7221BECBP SKF7221BECBM SKF7221C/DF SKF7221B SKF2x7220BECCM SKF2x7221BECBP*

用户关注最多的轴承狗热门型号

TIMKEN  GN200KRRB 国产  63/28-ZN TIMKEN  K37X42X17H SKF  PDPF2222 SKF  31309J2/QCL7CDF MRC  7008C/DB SKF  CR99855 SKF  SYH1.15/16FM TIMKEN  570/563D+X1S-570 TIMKEN  32015X /32015X NTN  30234 NACHI  NU324E KOYO  NJ2319+HJ2319 SKF  PCZ2432B SKF  NUP2206ECP

版权所有©2009-2015 轴承狗zcgou.com ICP备案:津ICP备14004550号-13