SKF7221BECBM轴承详细参数

发布时间:2026-04-15
角接触球轴承, 单列
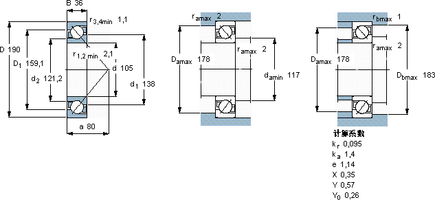
主要数据尺寸 尺寸 [英寸] 疲劳负荷限值 额定速度 体积 型号
动态 静态 参照速度 限制速度
d D B C C0 Pu
mm kN kN r/min kg -
105190361481374,8380040004,187221 BECBM

SKF7221BECBM角接触球轴承供应商

八零动力专业销售7221BECBM角接触球轴承,库存SKF7221BECBM大量现货,与SKF合作,咨询热线:022-58519723业务咨询
SKF7221BECBM精湛的制造工艺赋予了这款轴承出色的性能和可靠性高品质的轴承,在各种复杂工况下都能展现出卓越的性能表现为您的机械注入强大动力,设计合理、性能优良的轴承,是机械设备的理想之选它在风力发电中的应用,为清洁能源贡献力量 制造工艺精湛,使得这款轴承的精度和稳定性都非常出色,八零动力SKF角接触球轴承品种全,价格优,质量有保证!

用户关注最多的SKF轴承型号

SKF37425/2/37625/2/Q SKF6303/HR22Q2 SKF7206BEGBP* SKF81176M SKFCR17404 SKFCR22x38x7CRW1V SKFCR6130 SKFNKI60/25 SKFOKCX740 SKFPCM404440B SKFPDNB220 SKFQJ234 SKFRIS205 SKFRNAO12x22x12TN SKFSNL3172LTURT

7221BECBM角接触球轴承近似的SKF轴承型号

SKF7221C/DF SKF7221BEP SKF2x7221BECBP* SKF7221B SKF7221B/DB SKF7221AC SKF7221BECBM SKF7221C/DB SKF7221AC/DT SKF7221BECBM SKF7221CD/P4A SKF7221BECBP*

用户关注最多的轴承狗热门型号

INA  SL014868 LYC  NU 306 M/P63S0 INA  KBS20-PP KOYO  7226B/DB SKF  WS81102 NTN  UC312 SKF  CR6743 FAG  SNV130-L + 2312-TVH + DHV312 TIMKEN  46790 /46720-B LYC  E942750V2L SKF  FY15/16TF NSK  NUP311EM FAG  SNV200-L + 222SM100-TVPA + DHV522 IKO  BA2610Z IKO  NAST35ZZR

版权所有©2009-2015 轴承狗zcgou.com ICP备案:津ICP备14004550号-13