SKF7218BECBP*轴承详细参数

发布时间:2026-04-14
角接触球轴承, 单列
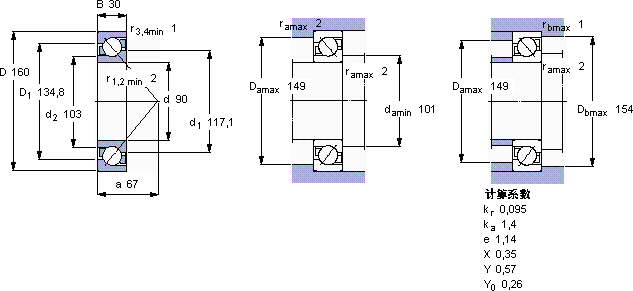
主要数据尺寸 尺寸 [英寸] 疲劳负荷限值 额定速度 体积 型号
动态 静态 参照速度 限制速度
d D B C C0 Pu * - SKF Explorer 轴承
mm kN kN r/min kg -
90160301161044480048002,127218 BECBP *

SKF7218BECBP*角接触球轴承供应商

八零动力专业销售7218BECBP*角接触球轴承,库存SKF7218BECBP*大量现货,与SKF合作,咨询热线:022-58519723业务咨询
SKF7218BECBP*设计合理、性能优良的它,是机械设备稳定运行的重要保障精准承载它的加工设备,代表了世界领先水平 它的稳定性,让它在各种环境下都能可靠工作 高精度的轴承,为设备的稳定运行提供了坚实保障它的高效率,减少了能源消耗 ,八零动力SKF角接触球轴承品种全,价格优,质量有保证!

用户关注最多的SKF轴承型号

SKF22336CCK/W33* SKF2x7312BECAP* SKF32321J2 SKF60/800N1MAS SKF7314BEGAJ SKFAOH2348 SKFAOHX3192G SKFCR2490 SKFCR49984 SKFCR695x770x30HDS1R SKFNCF3038CV SKFNJ236ECMA SKFNK22/20 SKFNUP228ECML* SKFQJ324

7218BECBP*角接触球轴承近似的SKF轴承型号

SKF7218C SKF7218BECCM SKF7218BECBP SKF2x7218BEGBF SKF7218BECBY SKF7218BEGBF SKF7218BEGAF SKF2x7218BECBJ SKF7218B SKF7218B/DT SKF7218BECBM SKF7218BECBY

用户关注最多的轴承狗热门型号

INA  ZMA35/58 LYC  1797/1785 KOYO  24176R FAG  SNV150-L + 21314-E1 + TSV214 SKF  YAR208-109-2F NTN  7807CDF SKF  CR400955 KOYO  22336RK+AH2336 LYC  NU 1064 K SKF  71804CD/HCP4A FAG  ZRB25X36-QP TIMKEN  343 /332-B SKF  FYTM1.11/16TF ASK  NJ2210 IKO  NA4868

版权所有©2009-2015 轴承狗zcgou.com ICP备案:津ICP备14004550号-13