SKF7218BEP轴承详细参数

发布时间:2026-05-30
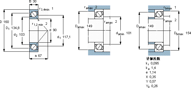
角接触球轴承, 单列
主要数据尺寸 尺寸 [英寸] 疲劳负荷限值 额定速度 体积 型号
动态 静态 参照速度 限制速度
d D B C C0 Pu
mm kN kN r/min kg -
901603010896,53,65450045002,127218 BEP

SKF7218BEP角接触球轴承供应商

八零动力专业销售7218BEP角接触球轴承,库存SKF7218BEP大量现货,与SKF合作,咨询热线:022-58519723业务咨询
SKF7218BEP设计合理、性能优良的它,是机械设备稳定运行的重要保障先进的制造技术和严格的质量控制,造就了这款优质轴承要设备更出色这款轴承的运转十分平稳,几乎感受不到任何震动它在电子设备中的应用,展现了它的高精密性 持久转动,八零动力SKF角接触球轴承品种全,价格优,质量有保证!

用户关注最多的SKF轴承型号

SKF24030CCK30/W33* SKF24168ECCK30J/W33* SKF30302J2 SKF7002CD/HCP4A SKF7209CD/P4A SKF7217BECBP* SKFBFSB353316/HA7 SKFCR35X49X6HMSA10RG SKFCR50X72X10HMSA10RG SKFCR85535 SKFK30x40x30 SKFPCZ0606B SKFPFD1.1/4WF SKFSC71915DB/P7 SKFSNL3080FTURT

7218BEP角接触球轴承近似的SKF轴承型号

SKF7218BEP SKF7218BECBY SKF7218BECBJ SKF7218C/DF SKF7218BECBP SKF2x7218BEGAP* SKF7218BEP SKF7218AC/DT SKF7218BEGAF SKF7218B SKF7218BEGBF SKF7219AC

用户关注最多的轴承狗热门型号

INA  KWVE15-B-S NTN  NJ315E+HJ315E SKF  30310J2/Q NACHI  NN3032K LYC  32024 X2R/P4 FAG  B71916-E-2RSD-T-P4S NTN  23244BK+AH2344 国产  51326 SKF  NUP2307E MAC  NJ215 KOYO  313891-1 BARDEN  7230C/DB DKF  7228AC/DF IKO  TAFI9012026 IKO  CF16BUU

版权所有©2009-2015 轴承狗zcgou.com ICP备案:津ICP备14004550号-13