SKF2x7218BEGAP*轴承详细参数

发布时间:2026-04-15
角接触球轴承, 单列,用于配对安装, 面对面配对
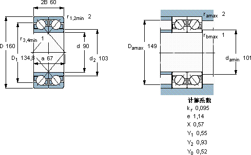
主要数据尺寸 基本负荷额定值 疲劳负荷限值 额定速度 体积 型号 轴承配对
动态 静态 参照速度 限制速度
d D 2B C C0 Pu * - SKF Explorer 轴承
mm kN kN r/min kg --
90160601882088360048004,252 × 7218 BEGAP *DF

SKF2x7218BEGAP*角接触球轴承供应商

八零动力专业销售2x7218BEGAP*角接触球轴承,库存SKF2x7218BEGAP*大量现货,与SKF合作,咨询热线:022-58519723业务咨询
SKF2x7218BEGAP*轴承的选材精良,确保了其具有良好的耐磨性和抗腐蚀性承载重载历经岁月这款轴承的精度极高,能够满足对精度要求苛刻的设备品质永相随转动世界的精密之选,坚固的结构稳定的性能,八零动力SKF角接触球轴承品种全,价格优,质量有保证!

用户关注最多的SKF轴承型号

SKF24138CCK30/W33+AH24138* SKF30203J2 SKF33030 SKF51338M SKF718/530AMB SKFCR3450560 SKFCR50X62X5HM4R SKFCR87831 SKFCR87916 SKFHE217 SKFNJ221ECML* SKFSC71908FB/P7 SKFSY55TF SKFSYH1.11/16TF/AH SKFT7FC065/QCL7C

2x7218BEGAP*角接触球轴承近似的SKF轴承型号

SKF7218AC/DT SKF7218C/DT SKF7218C SKF2x7218BECBY SKF7218BEGAP* SKF7218BECBP* SKF7218BECBY SKF7218AC/DF SKF7218AC/DB SKF7218BEP SKF2x7218BEGAF SKF2x7218BEGAY

用户关注最多的轴承狗热门型号

SKF  CR18546 SKF  CR50X90X10HMSA10V STEYR  6303 SKF  32212 INA  TSWWA20 LYC  240/800/C3 NSK  UCP204D1 STEYR  30220 SKF  89412TN NSK  N1010BTKR SKF  SONL238-538 KOYO  NU3220 STEYR  6210N 国产  352026 SNR  7301AC/DF

版权所有©2009-2015 轴承狗zcgou.com ICP备案:津ICP备14004550号-13