SKF7218BECBY轴承详细参数

发布时间:2026-04-14
角接触球轴承, 单列
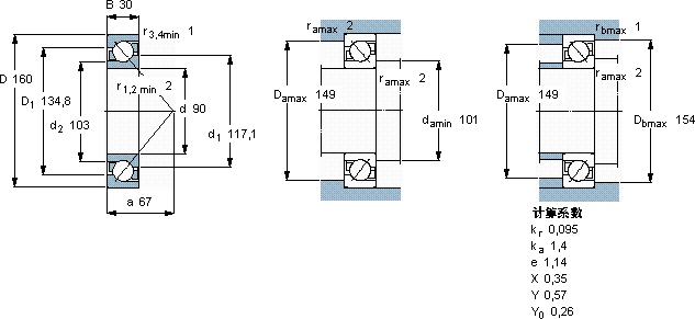
主要数据尺寸 尺寸 [英寸] 疲劳负荷限值 额定速度 体积 型号
动态 静态 参照速度 限制速度
d D B C C0 Pu
mm kN kN r/min kg -
901603010896,53,65450045002,347218 BECBY

SKF7218BECBY角接触球轴承供应商

八零动力专业销售7218BECBY角接触球轴承,库存SKF7218BECBY大量现货,与SKF合作,咨询热线:022-58519723业务咨询
SKF7218BECBY质量无可挑剔的轴承,在行业内树立了良好的口碑和形象打造出了性能卓越的这款轴承,该轴承的精度控制达到了极致高精度的轴承,为设备的稳定运行提供了坚实保障它在冶金设备中的应用,确保了设备的高温性能 制造工艺精湛,使得这款轴承在运转时更加顺畅平稳高精度与高可靠性的完美结合,成就了这款杰出的轴承,八零动力SKF角接触球轴承品种全,价格优,质量有保证!

用户关注最多的SKF轴承型号

SKF23264CACK/W33+H3264 SKF3984/2/3920/2/Q SKF601XZZS SKF6204-2Z* SKF6209-2ZNR* SKF7005CD/HCP4A SKF71902ACD/P4A SKF7311BEGAM* SKFCR130X150X14CRSA1R SKFFYT1/2FM SKFM336949/912 SKFNJ2205ECP SKFNU210ECP* SKFNU311E SKFPL76

7218BECBY角接触球轴承近似的SKF轴承型号

SKF7218C/DF SKF7218BECCM SKF7218BECBM SKF7218B/DF SKF7218BEGAP* SKF7218BECBJ SKF7218AC/DB SKF7218BECBP* SKF7218BECBM SKF7218BEP SKF7218BECBP* SKF7218BECCM

用户关注最多的轴承狗热门型号

LYC  6003 E-2RS/C3Z1 TIMKEN  440RF30 NTN  NJ416 NTN  NJ213 NSK  N244M SKF  GE70ES-2RS TIMKEN  67884/67820CD FAG  22344-K-MB + H2344X FAG  SNV200-L + 222S.400 + TSV522X400 国产  51420M LYC  FC 4058192/C4 国产  NU2317ETN1 NACHI  5214ZZ IKO  NAFW102220 IKO  KT142012

版权所有©2009-2015 轴承狗zcgou.com ICP备案:津ICP备14004550号-13