SKF7217BECBM轴承详细参数

发布时间:2026-05-30
角接触球轴承, 单列
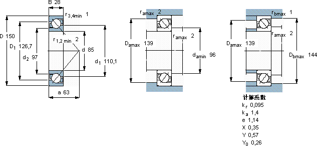
主要数据尺寸 尺寸 [英寸] 疲劳负荷限值 额定速度 体积 型号
动态 静态 参照速度 限制速度
d D B C C0 Pu
mm kN kN r/min kg -
851502895,6833,25500053001,997217 BECBM

SKF7217BECBM角接触球轴承供应商

八零动力专业销售7217BECBM角接触球轴承,库存SKF7217BECBM大量现货,与SKF合作,咨询热线:022-58519723业务咨询
SKF7217BECBM这轴承的稳定性极佳,在高速运转时也能保持良好状态稳定旋转的核心力量始终顺滑如初,制造工艺精湛,使得这款轴承的精度、稳定性和耐用性都非常出色它的精准度,让机械运转分毫不差 它在建筑机械中的应用,确保了设备的可靠性 ,八零动力SKF角接触球轴承品种全,价格优,质量有保证!

用户关注最多的SKF轴承型号

SKF23138-2CS5K/VT143* SKF32944 SKF628-2RZ* SKF6308N* SKF71934AC SKF7318BECBY SKFCR10944 SKFCR210X240X15HMSA10RG SKFCR400500 SKFCR525953 SKFCR99849 SKFK5x8x10TN SKFN07 SKFNCF2238V SKFPCM252820M

7217BECBM角接触球轴承近似的SKF轴承型号

SKF7217B SKF7217BEGAF SKF7217BECBY SKF7217BECBP SKF7217AC/DT SKF2x7217BECBJ SKF2x7217BEGAF SKF2x7217BECBM SKF7217B/DB SKF7217BEP SKF7217BECBJ SKF7217BECBP*

用户关注最多的轴承狗热门型号

SKF  31324T146XJ2/DB TIMKEN  6375/6320-B SKF  2x7311BEGBM* NSK  RNA6903 FAG  SNV190-L + 21318-E1-K + H318X304 + DH518X304 MAC  NUP2324 NTN  6210-Z SKF  QJ310 SKF  CR100X125X12HMS5RG SKF  FYJ20TF SKF  22352CCK/W33+OH2352H* NACHI  NN3012K INA  AS2035 SKF  CR529276 IKO  CF12VR

版权所有©2009-2015 轴承狗zcgou.com ICP备案:津ICP备14004550号-13