SKF7217BECBP*轴承详细参数

发布时间:2026-04-14
角接触球轴承, 单列
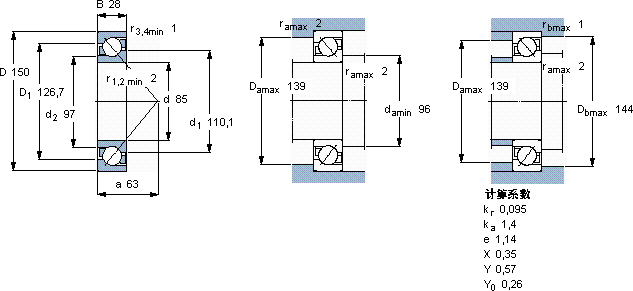
主要数据尺寸 尺寸 [英寸] 疲劳负荷限值 额定速度 体积 型号
动态 静态 参照速度 限制速度
d D B C C0 Pu * - SKF Explorer 轴承
mm kN kN r/min kg -
8515028102903,55530053001,837217 BECBP *

SKF7217BECBP*角接触球轴承供应商

八零动力专业销售7217BECBP*角接触球轴承,库存SKF7217BECBP*大量现货,与SKF合作,咨询热线:022-58519723业务咨询
SKF7217BECBP*它的尺寸精度,达到了微米级的极致 让您的设备高效运行,它的轻量化设计,减少了材料的使用 先进的制造技术,让这款轴承的质量达到了行业领先水平始终顺滑如初,它的几何精度,让机械运转分毫不差 ,八零动力SKF角接触球轴承品种全,价格优,质量有保证!

用户关注最多的SKF轴承型号

SKF234411B SKF31316J1/QCL7C SKF52230M SKF61930MA SKF71915CE/HCP4A SKFBFSB353316/HA7 SKFC4122V* SKFCR15X35X7HMSA10V SKFCR9982 SKFN1021KTN9/SP SKFNJ213ECML* SKFNU2256ECMA SKFPCMF121415E SKFSYJ1.3/4TF SKFYAR215-212-2F

7217BECBP*角接触球轴承近似的SKF轴承型号

SKF7217B/DF SKF7217AC/DT SKF7217AC SKF7217C/DT SKF7217B/DB SKF2x7217BECBY SKF2x7217BECBM SKF7217C/DF SKF7217BECBM SKF7217BECBM SKF7217BECBM SKF7217BECBY

用户关注最多的轴承狗热门型号

MRC  7207AC ASK  NUP210 国产  N032M NACHI  7319CDF TIMKEN  SAF22244 INA  ZKLF2068-2Z TORRINGTON  22320CC/W33 LYC  22316/P5 NTN  23934K LYC  292/1060 M TIMKEN  G1014KRRB TORRINGTON  24148CC/W33 SKF  SNW13x2.1/4 NACHI  53238 IKO  GBR283820

版权所有©2009-2015 轴承狗zcgou.com ICP备案:津ICP备14004550号-13