SKF7216BECBM*轴承详细参数

发布时间:2026-04-14
角接触球轴承, 单列
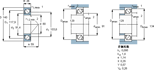
主要数据尺寸 尺寸 [英寸] 疲劳负荷限值 额定速度 体积 型号
动态 静态 参照速度 限制速度
d D B C C0 Pu * - SKF Explorer 轴承
mm kN kN r/min kg -
801402685753,05560056001,597216 BECBM *

SKF7216BECBM*角接触球轴承供应商

八零动力专业销售7216BECBM*角接触球轴承,库存SKF7216BECBM*大量现货,与SKF合作,咨询热线:022-58519723业务咨询
SKF7216BECBM*是您成功路上的得力助手,该轴承的性能优越,极大地提高了设备的工作效率它在纺织机械中的应用,确保了设备的高速运转 它的精密性,让它在高精度设备中无可替代 承载无限可能,运转起来如此顺滑,这款轴承的制造工艺着实令人赞叹,八零动力SKF角接触球轴承品种全,价格优,质量有保证!

用户关注最多的SKF轴承型号

SKF52220 SKF5307E SKF7009CD/P4A SKF7015CD/P4A SKF7026CD/P4A SKFBK5020 SKFCR406000 SKFCR41170 SKFE2.626-2Z/C3 SKFFSYE3.15/16-3 SKFFYC40WF SKFHMVC80E SKFNCF28/560V SKFNJ1884MA6 SKFSDAF23268KAx12.7/16

7216BECBM*角接触球轴承近似的SKF轴承型号

SKF7216BEGAF SKF2x7216BECBY SKF7216AC/DT SKF7216BEP SKF2x7216BECBJ SKF7216AC/DF SKF7216B SKF7216BECBP* SKF7216B/DT SKF7216C SKF7216BECBJ SKF7216BECBP*

用户关注最多的轴承狗热门型号

TIMKEN  577/572D NTN  7911CDF TIMKEN  L116149/L116110D SKF  OH3188H NACHI  6010ZE TIMKEN  26881/26830 STEYR  2312 FLT  NJ244 NSK  23052CAMKE4 FAG  SNV150-L + 222S.215 + DH517 TIMKEN  K60X68X23H FAG  HCB71921-C-T-P4S 国产  639/6 NACHI  53420 IKO  NAXI6040Z

版权所有©2009-2015 轴承狗zcgou.com ICP备案:津ICP备14004550号-13