SKF7215BECBP轴承详细参数

发布时间:2026-05-30
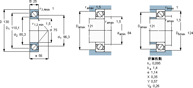
角接触球轴承, 单列
主要数据尺寸 尺寸 [英寸] 疲劳负荷限值 额定速度 体积 型号
动态 静态 参照速度 限制速度
d D B C C0 Pu
mm kN kN r/min kg -
751302573,565,52,7630063001,187215 BECBP

SKF7215BECBP角接触球轴承供应商

八零动力专业销售7215BECBP角接触球轴承,库存SKF7215BECBP大量现货,与SKF合作,咨询热线:022-58519723业务咨询
SKF7215BECBP旋转不息轴承的耐用性强,减少了设备的停机维护时间性能优越的轴承,极大地提高了设备的工作效率和稳定性高精度的制造工艺,让这款轴承的性能更加出色它在机器人领域的应用,展现了它的高精密性 它在包装机械中的应用,确保了设备的高效率 ,八零动力SKF角接触球轴承品种全,价格优,质量有保证!

用户关注最多的SKF轴承型号

SKF21311E* SKF22330CCK/W33+H2330* SKF23192CAK/W33+OH3192H* SKF24132-2CS5/VT143* SKF316737AB SKF4314ATN9 SKF51203V/HR11T1 SKF6314/C3VL0241 SKF7213BEP SKFCR1350250 SKFLM29749/710/QCL7CVA607 SKFSALKAC30M SKFSYR3.7/16-3 SKFTVN213A SKFVJ-PDRJ322

7215BECBP角接触球轴承近似的SKF轴承型号

SKF7215BEGAY SKF2x7215BECBY SKF7215B/DB SKF2x7215BECBM SKF7215AC/DT SKF7215C SKF7215AC/DF SKF7215BECBP SKF7215BECBP SKF7215C/DB SKF7215BECBM SKF7215BECBY

用户关注最多的轴承狗热门型号

KOYO  23092RHAK+AHX3092 LYC  NU 1052 M/P5 SNR  6312 SKF  NN3052K/W33 NSK  51240XM FAG  AH3152G-H NTN  7001AC/DT STEYR  NU2222 LYC  66/393.7 SKF  22311CCK/W33 SKF  22348CCK/W33 KOYO  RS303524 FAG  SNV230-L + 23226-E1-TVPB + DH226 SKF  SYE3.7/16NH-118 IKO  CRBC15030UU

版权所有©2009-2015 轴承狗zcgou.com ICP备案:津ICP备14004550号-13