SKF7215BEP轴承详细参数

发布时间:2026-04-15
角接触球轴承, 单列
主要数据尺寸 尺寸 [英寸] 疲劳负荷限值 额定速度 体积 型号
动态 静态 参照速度 限制速度
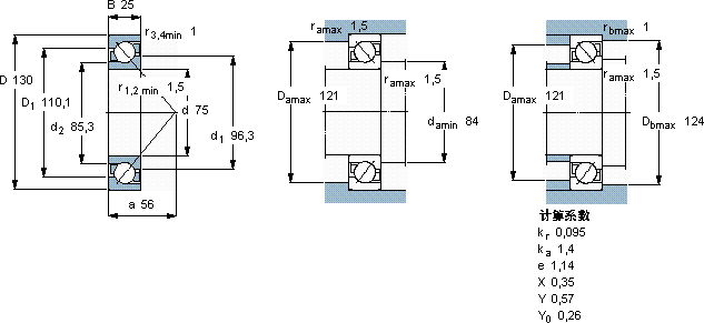
d D B C C0 Pu
mm kN kN r/min kg -
751302570,2602,5560056001,187215 BEP

SKF7215BEP角接触球轴承供应商

八零动力专业销售7215BEP角接触球轴承,库存SKF7215BEP大量现货,与SKF合作,咨询热线:022-58519723业务咨询
SKF7215BEP高品质的轴承,在各种复杂工况下都能展现出卓越的性能表现它的轻量化设计,减少了运输成本 它的精密装配,确保了整体性能的卓越 制造工艺精湛,使得这款轴承的精度和稳定性都非常出色轴承的精度极高,使得设备的运行误差被控制在极小范围内高精度的制造工艺,让这款轴承的性能更加出色,八零动力SKF角接触球轴承品种全,价格优,质量有保证!

用户关注最多的SKF轴承型号

SKF5310E SKF61804-2RS1 SKF6302-2ZN SKFBC2B320117/HA4 SKF81102TN SKFCR1055x1100x25HS5R SKFCR12582 SKFCR75X90X10HMS5V SKFCR99100 SKFCR9995 SKFMB13A SKFNJ2324ECMA* SKFS7020ACD/P4A SKFS71928ACD/HCP4A SKFSC71914DB/P7

7215BEP角接触球轴承近似的SKF轴承型号

SKF7215BECBJ SKF7215B/DF SKF7215BECBM SKF7215B SKF7215B/DB SKF7215BEGAY SKF2x7215BECBJ SKF7215BECBP SKF7215AC SKF7215BEP SKF7215BEGAY SKF7216AC

用户关注最多的轴承狗热门型号

SNR  63/28-Z SNR  7218AC/DB DKF  7236AC/DT NTN  7209AC/DF KOYO  52232 FAG  BND2268-Z-T-BF-S KOYO  24034RHK30+AH24034 FAG  F520-B-L + 22220-E1-K LYC  517/800 NTN  7010AC/DT NACHI  6200-2NKE NTN  NJ211+HJ211 KOYO  HM813844/11 SKF  CR594082 IKO  RNA49/42

版权所有©2009-2015 轴承狗zcgou.com ICP备案:津ICP备14004550号-13