SKF7213BEY轴承详细参数

发布时间:2026-05-30
角接触球轴承, 单列
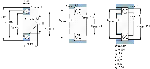
主要数据尺寸 尺寸 [英寸] 疲劳负荷限值 额定速度 体积 型号
动态 静态 参照速度 限制速度
d D B C C0 Pu
mm kN kN r/min kg -
651202366,3542,28630063001,007213 BEY

SKF7213BEY角接触球轴承供应商

八零动力专业销售7213BEY角接触球轴承,库存SKF7213BEY大量现货,与SKF合作,咨询热线:022-58519723业务咨询
SKF7213BEY它在印刷机械中的应用,展现了它的高精度 让工作更高效,精湛的制造工艺赋予了这款轴承卓越的性能和品质 稳定旋转的核心力量它的密封性能,完美抵御灰尘和杂质的侵袭 为设备的精确运行提供了保障,该轴承的精度控制精准,为设备的精确运行提供了保障,八零动力SKF角接触球轴承品种全,价格优,质量有保证!

用户关注最多的SKF轴承型号

SKF23164-2CS5K/VT143* SKF3316DMA SKFAOH24080 SKFAXK1024 SKFBTM65B/P4CDBA SKFCR17557 SKFCR19213 SKFCR19226 SKFCR2600648 SKFCR85914 SKFHM803146/2/110/2/QCL7C SKFNJ2216E SKFSNW36x6.5/16 SKFSNW9x1.7/16 SKFSYM1.15/16TF/AH

7213BEY角接触球轴承近似的SKF轴承型号

SKF7213BECBM SKF7213C/DT SKF7213AC/DF SKF7213BECBM SKF2x7213BEGAP SKF7213C/DF SKF7213BECBP SKF7213BEGAY SKF7213BECBY SKF7213B/DT SKF7213BEP SKF7214AC

用户关注最多的轴承狗热门型号

NSK  6009T1XVV ZKL  30221 LYC  LM 48548 SKF  511/530F 国产  619/8-2Z SKF  FYTJ45KF DKF  7006AC SKF  2x7205BEGBY LYC  30313 LYC  6212E/Z1 NSK  5214 TORRINGTON&FAFNIR  5201KDD NSK  ZM-UCFL204-012D1 TIMKEN  540/532X SKF  YAR207-107-2FW/VA201

版权所有©2009-2015 轴承狗zcgou.com ICP备案:津ICP备14004550号-13