SKF7213BECBM轴承详细参数

发布时间:2026-05-29
角接触球轴承, 单列
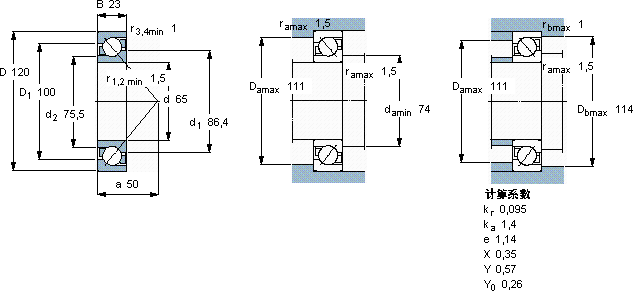
主要数据尺寸 尺寸 [英寸] 疲劳负荷限值 额定速度 体积 型号
动态 静态 参照速度 限制速度
d D B C C0 Pu
mm kN kN r/min kg -
651202369,5572,45670067001,107213 BECBM

SKF7213BECBM角接触球轴承供应商

八零动力专业销售7213BECBM角接触球轴承,库存SKF7213BECBM大量现货,与SKF合作,咨询热线:022-58519723业务咨询
SKF7213BECBM稳定持久它的质量过硬,为机械设备的高效、安全运行提供了保障该轴承的性能卓越,完全满足了各种严苛工况的需求它的高可靠性,减少了设备停机时间 每一次旋转,都是品质的见证,为设备的精确运行提供了保障,该轴承的精度控制精准,为设备的精确运行提供了保障,八零动力SKF角接触球轴承品种全,价格优,质量有保证!

用户关注最多的SKF轴承型号

SKF22334CCK/W33+AH2334G* SKF32044T168X/DB SKF51130M SKF6004-2Z/VA208 SKF77375/77675/Q SKFFYC50WF SKFH307E SKFK68x74x35ZW SKFN2207ECM* SKFNN3013KTN/SP SKFNN3032K/SPW33 SKFOKBS46 SKFPFD25TF SKFSNL4084GL SKFW24

7213BECBM角接触球轴承近似的SKF轴承型号

SKF2x7213BECBY SKF2x7213BECBJ SKF7213AC/DT SKF7213C/DF SKF7213C/DB SKF7213C/DT SKF7213BECBY SKF7213BEGAY SKF7213B SKF2x7213BEGAF SKF7213BECBJ SKF7213BECBP

用户关注最多的轴承狗热门型号

TORRINGTON FAFNIR  6015-2Z NACHI  6903ZENR LYC  4048 D/C4 SKF  CR35042 LYC  NJ 2232 WB NACHI  5212ZZ SKF  K80x86x20 国产  NU204 STEYR  53206 MRC  7203AC/DF 国产  6012-2RS1 SKF  32026 FAG  F505-WA-L + 2205-K-TVH-C3 FAG  3311-DA-MA IKO  CRB13025

版权所有©2009-2015 轴承狗zcgou.com ICP备案:津ICP备14004550号-13