SKF7213BEGAY轴承详细参数

发布时间:2026-05-30
角接触球轴承, 单列
主要数据尺寸 尺寸 [英寸] 疲劳负荷限值 额定速度 体积 型号
动态 静态 参照速度 限制速度
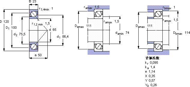
d D B C C0 Pu
mm kN kN r/min kg -
651202366,3542,28630063001,007213 BEGAY

SKF7213BEGAY角接触球轴承供应商

八零动力专业销售7213BEGAY角接触球轴承,库存SKF7213BEGAY大量现货,与SKF合作,咨询热线:022-58519723业务咨询
SKF7213BEGAY质量上乘的轴承,是提升机械设备性能的关键因素它的轻量化设计,减少了运输成本 它的可回收性,体现了环保理念 轴承的精度极高,使得设备的运行误差被控制在极小范围内它的抗拉强度,让它经得起各种考验 优秀的设计和卓越的性能,让这款轴承备受青睐,八零动力SKF角接触球轴承品种全,价格优,质量有保证!

用户关注最多的SKF轴承型号

SKF22312CCK/W33+H2312 SKF2x7305BECBP* SKF30222J2/DF SKF360141 SKF617479B SKF61888MA SKF7010CD/HCP4A SKFC71909DB/P7 SKFCR23725 SKFFYRP1.11/16 SKFGEH90TXA-2LS SKFNUP216E SKFQJ206N2MA* SKFSAFC2620x3.5/16 SKFZ004

7213BEGAY角接触球轴承近似的SKF轴承型号

SKF7213C/DT SKF7213BEGAY SKF7213BEY SKF7213C/DB SKF7213B/DF SKF2x7213BEGAF SKF7213BEY SKF7213BEP SKF7213BECBM SKF7213BECBY SKF7213BEGAP SKF7213BEP

用户关注最多的轴承狗热门型号

NSK  NJ424M SKF  GE90CS-2Z SKF  BFSB353323/HA3 MRC  7020C/DB NSK  7218ATYNDBLP4 INA  KBZ16 国产  22322K INA  AS160200 INA  TSUWZ16-PD SKF  C4032K30* FAG  SNV072-L + 1207-K-TVH-C3 + H207X103 + FSV507 FAG  BND2232-H-W-Y-BF-S FAG  SNV160-L + 20218-MB + TSV218 SKF  CR15512 FAG  NUP2204-E-TVP2

版权所有©2009-2015 轴承狗zcgou.com ICP备案:津ICP备14004550号-13