SKF7213BEP轴承详细参数

发布时间:2026-04-15
角接触球轴承, 单列
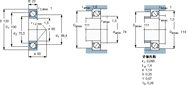
主要数据尺寸 尺寸 [英寸] 疲劳负荷限值 额定速度 体积 型号
动态 静态 参照速度 限制速度
d D B C C0 Pu
mm kN kN r/min kg -
651202366,3542,28630063001,007213 BEP

SKF7213BEP角接触球轴承供应商

八零动力专业销售7213BEP角接触球轴承,库存SKF7213BEP大量现货,与SKF合作,咨询热线:022-58519723业务咨询
SKF7213BEP是您机械世界里的不败功臣,机械的心脏它在矿山设备中的应用,确保了设备的高负载能力 它的可靠性,赢得了无数工程师的信任 精湛的工艺打造出的轴承,精度和稳定性都令人称赞从制造工艺到实际性能,这款轴承都表现得十分出色,,八零动力SKF角接触球轴承品种全,价格优,质量有保证!

用户关注最多的SKF轴承型号

SKF24044CCK30/W33+AOH24044* SKF241/800ECA/W33 SKF6202/HR11QN SKF7001C/DT SKF71916ACD/P4A SKF71956CD/P4A SKF811/1060M SKFCR12384 SKFCR30X47X7HMSA10V SKFCR30X50X8HMSA10RG SKFFYKC20NTR/VE495 SKFN2319 SKFS71910CD/P4A SKFW05 SKFW28

7213BEP角接触球轴承近似的SKF轴承型号

SKF2x7213BECBY SKF7213BEY SKF2x7213BECBP SKF7213BEGAF SKF2x7213BECBM SKF7213BEP SKF7213B SKF2x7213BEGAF SKF7213BECBM SKF7213B/DF SKF7213BEGAY SKF7213BEY

用户关注最多的轴承狗热门型号

LYC  1797/2460G2K2 LYC  6312 E NTN  UKK309+H2309 LYC  130.40.2790.03 SKF  313583 NSK  15TAC47BDDG FAG  BND3284-H-C-T-BF-S NMB  L-1910ZZ NTN  22217CCK/W33 TIMKEN  HM262749D/HM262710 INA  KWVE15-B SKF  SAF1618 STEYR  NJ336 LYC  23072 K/W33 IKO  NAU4920

版权所有©2009-2015 轴承狗zcgou.com ICP备案:津ICP备14004550号-13