SKF7213BECBP轴承详细参数

发布时间:2026-05-29
角接触球轴承, 单列
主要数据尺寸 尺寸 [英寸] 疲劳负荷限值 额定速度 体积 型号
动态 静态 参照速度 限制速度
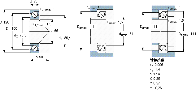
d D B C C0 Pu
mm kN kN r/min kg -
651202369,5572,45670067001,007213 BECBP

SKF7213BECBP角接触球轴承供应商

八零动力专业销售7213BECBP角接触球轴承,库存SKF7213BECBP大量现货,与SKF合作,咨询热线:022-58519723业务咨询
SKF7213BECBP它的低噪音设计,减少了对环境的噪音污染 它的精密测量技术,确保了每一件产品的品质 它的高可靠性,减少了设备停机时间 质量上乘的轴承,为设备的高效稳定运行奠定了基础它在印刷机械中的应用,展现了它的高精度 它的抗震性能,确保了它在振动环境下的可靠性 ,八零动力SKF角接触球轴承品种全,价格优,质量有保证!

用户关注最多的SKF轴承型号

SKF294/600 SKF2x7312BECBP* SKF53220U SKF71806ACD/HCP4 SKF71919C SKFC71915FB/P7 SKFCR25X47X10HMSA10V SKFCR280x320x20CRWA1V SKFCR62X90X10HMSA10RG SKFN232ECM* SKFNKI60/35 SKFNU2248MA SKFS71926ACD/P4A SKFTVN213WA SKFYAR208-108-2RF

7213BECBP角接触球轴承近似的SKF轴承型号

SKF7213B SKF7213B/DB SKF7213BEP SKF7213C/DB SKF7213AC/DT SKF7213BECBJ SKF7213B/DF SKF7213BECBP SKF7213BECBY SKF7213BECBM SKF7213BECBM SKF7213BECBY

用户关注最多的轴承狗热门型号

SKF  CR13953 LYC  23264 K SKF  PCM13514060B BARDEN  7218AC SKF  61818-2RS TIMKEN  3387/3339 LYC  6206 E-2Z/Z1 INA  GS81215 SKF  N2313 FAG  SNV072-L + 20207-K-TVP-C3 + H207 + FSV507 NTN  2219 NACHI  SN628E NSK  CM-UCF211-201D1 FYH  UEL320 SKF  C3028K+H3028*

版权所有©2009-2015 轴承狗zcgou.com ICP备案:津ICP备14004550号-13