SKF7213BECBJ轴承详细参数

发布时间:2026-04-14
角接触球轴承, 单列
主要数据尺寸 尺寸 [英寸] 疲劳负荷限值 额定速度 体积 型号
动态 静态 参照速度 限制速度
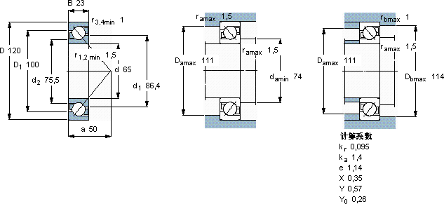
d D B C C0 Pu
mm kN kN r/min kg -
651202366,3542,28630063001,007213 BECBJ

SKF7213BECBJ角接触球轴承供应商

八零动力专业销售7213BECBJ角接触球轴承,库存SKF7213BECBJ大量现货,与SKF合作,咨询热线:022-58519723业务咨询
SKF7213BECBJ有效增强了机械设备的竞争力这款轴承的稳定性极佳,在长时间运行中也能保持良好状态它的静音设计,让机械运转如丝般顺滑 没有轴承,现代机械将寸步难行,它在船舶工业中的应用,展现了它的耐腐蚀性 它的圆度误差几乎可以忽略不计 ,八零动力SKF角接触球轴承品种全,价格优,质量有保证!

用户关注最多的SKF轴承型号

SKF23044CCK/W33+OH3044H* SKF24152CCK30/W33* SKF60/800NIMAS SKF71920ACD/P4A SKFBT4B332441G/HA1 SKFBT4B332596/HA4 SKFCR19677 SKFCR400754 SKFCR50X72X12HMSA10V SKFFSAF22516x2.5/8 SKFIR40x50x22 SKFNJ310ECP SKFNNF5007ADA-2LSV SKFNUP2309ECML* SKFSYE1.11/16N

7213BECBJ角接触球轴承近似的SKF轴承型号

SKF2x7213BECBY SKF7213BECBM SKF7213C/DT SKF2x7213BEGAY SKF7213BECBJ SKF2x7213BECBM SKF7213B/DF SKF7213BEY SKF7213AC/DT SKF7213BECBY SKF7213CD/P4A SKF7213BECBM

用户关注最多的轴承狗热门型号

国产  UCP211 FAG  SNV140-L + 20313-K-MB-C3 + H313 + DH613 NACHI  23256EW33 SKF  53322U NACHI  7332DT NMB  LF-1360ZZY54 国产  N2318M LYC  QJ 9/850/P6YA1 SKF  RNA2202.2RS SKF  HA2316 LYC  6004 E-2RZ/Z1 LYC  TK-N1024 NACHI  6012ZENR NSK  N1020BT IKO  RNA4906

版权所有©2009-2015 轴承狗zcgou.com ICP备案:津ICP备14004550号-13