SKF7213BECBY轴承详细参数

发布时间:2026-05-30
角接触球轴承, 单列
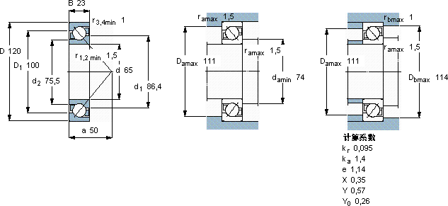
主要数据尺寸 尺寸 [英寸] 疲劳负荷限值 额定速度 体积 型号
动态 静态 参照速度 限制速度
d D B C C0 Pu
mm kN kN r/min kg -
651202366,3542,28630063001,007213 BECBY

SKF7213BECBY角接触球轴承供应商

八零动力专业销售7213BECBY角接触球轴承,库存SKF7213BECBY大量现货,与SKF合作,咨询热线:022-58519723业务咨询
SKF7213BECBY出色的性能表现,让这款轴承成为行业内的明星产品,它的质量过硬,为机械设备的高效、安全运行提供了保障设计独特的轴承,不仅性能优越,还具有很高的性价比它在轨道交通中的应用,确保了列车的安全运行 为您的工程保驾护航,它在风力发电中的应用,为清洁能源贡献力量 ,八零动力SKF角接触球轴承品种全,价格优,质量有保证!

用户关注最多的SKF轴承型号

SKF317-Z SKF54410 SKF7038CD/P4A SKF81188 SKFCR1600519 SKFCR220X250X15HMS5V SKFCR32X50X10HMSA10V SKFCR5542 SKFCR65X85X12HMSA10RG SKFGEH70ES-2LS SKFHE308E SKFNKS24 SKFNNU4922K/W33 SKFOKCX880 SKFPDPF2222

7213BECBY角接触球轴承近似的SKF轴承型号

SKF7213B/DB SKF7213BEP SKF7213BEGAY SKF7213BECBJ SKF7213B/DF SKF7213BECBY SKF7213B/DT SKF7213BECBP SKF7213C/DB SKF2x7213BEGAP SKF7213BECBP SKF7213BEGAF

用户关注最多的轴承狗热门型号

RHP  6310-2RS KOYO  NJ416+HJ416 TIMKEN  779/773D/X4S-779 TIMKEN  230RT92 STEYR  63/28N SKF  CR65x80x8CRW1V KOYO  6013 TIMKEN  006-11581A MRC  7204AC/DF NSK  7036CTYNSULP4 INA  GE710-DO TIMKEN  19143/19268-B SKF  PCM202310E SKF  NK45/30 RIV  NJ338

版权所有©2009-2015 轴承狗zcgou.com ICP备案:津ICP备14004550号-13