SKF7212BECBY轴承详细参数

发布时间:2026-05-29
角接触球轴承, 单列
主要数据尺寸 尺寸 [英寸] 疲劳负荷限值 额定速度 体积 型号
动态 静态 参照速度 限制速度
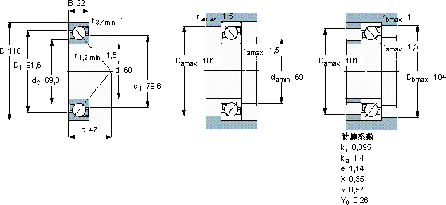
d D B C C0 Pu
mm kN kN r/min kg -
601102257,245,51,93700070000,837212 BECBY

SKF7212BECBY角接触球轴承供应商

八零动力专业销售7212BECBY角接触球轴承,库存SKF7212BECBY大量现货,与SKF合作,咨询热线:022-58519723业务咨询
SKF7212BECBY为您的设备保驾护航,让机械运转无忧它在印刷机械中的应用,展现了它的高精度 质量无可比拟的轴承,在行业内树立了良好的品质标杆它的多样化应用,展现了它的无限可能 设计独特、性能优越的轴承,满足了不同用户的需求它在矿山设备中的应用,确保了设备的高负载能力 ,八零动力SKF角接触球轴承品种全,价格优,质量有保证!

用户关注最多的SKF轴承型号

SKF22230-2CS5K/VT143* SKF23292CA/W33 SKF238/500CAMA/W20 SKF314563/VJ202 SKF51413M SKFHA2338 SKFLM29749/711/QCL7CVA607 SKFNK42/20 SKFNU308ECP* SKFPCM10010550E SKFPDRJ317 SKFRNU216ECP* SKFS71906FB/P7 SKFSYNT75FTS SKFSYR2.11/16H-3

7212BECBY角接触球轴承近似的SKF轴承型号

SKF7212BECBJ SKF7212BEGAP* SKF7212B SKF7212BECBY SKF7212C/DF SKF7212B/DT SKF7212BEP SKF7212BECBP SKF7212BECBM SKF7212BECBP* SKF7212BECBP* SKF7212BEGAM*

用户关注最多的轴承狗热门型号

TORRINGTON FAFNIR  6209-2RS NSK  6926 SKF  33014/Q KINGON  684ZZ FAG  SNV270-L + 22230-E1-K + H3130X503 + DHV530X503 NSK  23036CDE4 SKF  SDAF22236 SKF  234721B BARDEN  7224AC/DF SKF  FSNL518-615 SKF  HE315 KINGON  K4×9×3 SKF  SY20TF/VA201 NSK  23032CDE4 IKO  TLAM2526

版权所有©2009-2015 轴承狗zcgou.com ICP备案:津ICP备14004550号-13