SKF7212BEGAM*轴承详细参数

发布时间:2026-05-30
角接触球轴承, 单列
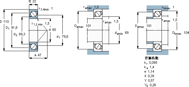
主要数据尺寸 尺寸 [英寸] 疲劳负荷限值 额定速度 体积 型号
动态 静态 参照速度 限制速度
d D B C C0 Pu * - SKF Explorer 轴承
mm kN kN r/min kg -
601102261502,12750075000,857212 BEGAM *

SKF7212BEGAM*角接触球轴承供应商

八零动力专业销售7212BEGAM*角接触球轴承,库存SKF7212BEGAM*大量现货,与SKF合作,咨询热线:022-58519723业务咨询
SKF7212BEGAM*它的润滑技术,减少了摩擦和磨损 它的高效率,让机械运转更加节能 它的耐磨性能,让它在恶劣环境下依然稳定运行 是您成功路上的得力助手,设计合理、性能优良的它,是机械设备实现高效运行的重要保障轴承的选材优质,确保了其在各种环境下都能稳定工作,八零动力SKF角接触球轴承品种全,价格优,质量有保证!

用户关注最多的SKF轴承型号

SKF23268CAK/W33+OH3268H* SKF7006ACD/P4A SKF811/900M SKFCR16078 SKFCR32X45X8HMSA10V SKFFYC30WF SKFNJ2207E SKFNU306ECP* SKFNU236ECMA* SKFNUP2312ECP SKFNUTR45100A SKFPWM160180150 SKFSDAF22317 SKFSNP3064x11.7/16 SKFYAR212-2FW/VA201

7212BEGAM*角接触球轴承近似的SKF轴承型号

SKF2x7212BEGAP* SKF7212AC/DB SKF7212BECBP SKF7212BEGAM* SKF7212BECBY SKF7212B SKF7212B/DF SKF7212B/DT SKF7212BEGAP* SKF2x7212BECBJ SKF7212BECBY SKF7212BEGAP*

用户关注最多的轴承狗热门型号

FAG  SNV215-L + 2320-K-M-C3 + H2320X308 + DHV620 TIMKEN  GE25KRRB TORRINGTON&FAFNIR  6017-Z SKF  22315EKJA/VA405* INA  RNAO40X50X34-ZW-ASR1 SKF  NUP309E NACHI  7309DT LYC  7407 AC/P5 FYH  UKK324+H2324 MRC  6306N SKF  CR72X100X10HMS5RG SKF  CR403256 SKF  NK30/30TN LYC  LY-Q001K SKF  SYNT50FTF

版权所有©2009-2015 轴承狗zcgou.com ICP备案:津ICP备14004550号-13