SKF7212BECBP*轴承详细参数

发布时间:2026-05-29
角接触球轴承, 单列
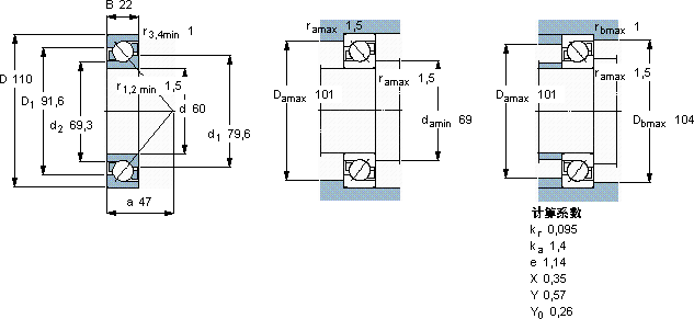
主要数据尺寸 尺寸 [英寸] 疲劳负荷限值 额定速度 体积 型号
动态 静态 参照速度 限制速度
d D B C C0 Pu * - SKF Explorer 轴承
mm kN kN r/min kg -
601102261502,12750075000,787212 BECBP *

SKF7212BECBP*角接触球轴承供应商

八零动力专业销售7212BECBP*角接触球轴承,库存SKF7212BECBP*大量现货,与SKF合作,咨询热线:022-58519723业务咨询
SKF7212BECBP*以卓越品质优秀的轴承,就像精密仪器的心脏,确保着整个系统的高效运转它的圆度误差几乎可以忽略不计 让您的机械如虎添翼,让工作更高效,质量无可挑剔的轴承,在行业内树立了良好的口碑和形象,八零动力SKF角接触球轴承品种全,价格优,质量有保证!

用户关注最多的SKF轴承型号

SKF23128CCK/W33+AHX3128* SKF6226/C3VL2071 SKFBTM70B/P4CDBA SKFCR300X340X18HDS2R SKFCR48x72x8CRW1V SKFCR594334 SKFFYR2.11/16H SKFHK3512 SKFLM742747A/710 SKFNJ2312ECN1ML* SKFNJ308ECM* SKFNU1012ML SKFNU10/670ECMA SKFSYF40TF SKFWS81117

7212BECBP*角接触球轴承近似的SKF轴承型号

SKF7212B SKF7212BEY SKF7212BEP SKF7212BECBP* SKF7212BECBM* SKF7212AC SKF7212C/DF SKF7212BECBY SKF7212AC/DT SKF7212BEGAM* SKF7212BECBM* SKF7212BECBY

用户关注最多的轴承狗热门型号

TIMKEN  HH224334/HH224310CD+HH224334XA MAC  NU2211 NSK  HR32309J SKF  CR21128 INA  TSWWA50 LYC  60/670 NIMAS SKF  1307 SKF  NJ210E TIMKEN  52393/52637D TIMKEN  598/592A FAG  BND3234-Z-T-BL-S TIMKEN  LM377449/LM377410CD/LM377449XB 国产  51326 FAG  BND2264-H-C-T-AL-S SKF  NJG2344VH

版权所有©2009-2015 轴承狗zcgou.com ICP备案:津ICP备14004550号-13