SKF7212BECBM*轴承详细参数

发布时间:2026-05-30
角接触球轴承, 单列
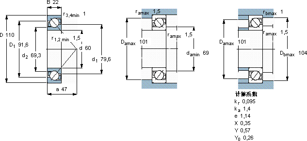
主要数据尺寸 尺寸 [英寸] 疲劳负荷限值 额定速度 体积 型号
动态 静态 参照速度 限制速度
d D B C C0 Pu * - SKF Explorer 轴承
mm kN kN r/min kg -
601102261502,12750075000,857212 BECBM *

SKF7212BECBM*角接触球轴承供应商

八零动力专业销售7212BECBM*角接触球轴承,库存SKF7212BECBM*大量现货,与SKF合作,咨询热线:022-58519723业务咨询
SKF7212BECBM*它的表面硬化处理,延长了它的使用寿命 它在矿山设备中的应用,确保了设备的高负载能力 它的抗剪切性能,确保了它的结构稳定性 为您创造更多可能,它的轴向游隙控制,精准到令人惊叹 它的径向跳动控制,达到了行业顶尖水平 ,八零动力SKF角接触球轴承品种全,价格优,质量有保证!

用户关注最多的SKF轴承型号

SKF22314CC/W33 SKF230/950CAK/W33+AOH30/950 SKF32228J2/DF SKF7003ACD/HCP4A SKF7016C/DF SKF71904CE/HCP4A SKF71924FB/P7 SKF7309BECBP* SKFCR110X140X12HMSA10RG SKFCR50X68X8HMS5V SKFHM30/670 SKFMB12A SKFN1015KPHA/SP SKFNNU4940K/W33 SKFYAR207-2F

7212BECBM*角接触球轴承近似的SKF轴承型号

SKF7212B/DF SKF7212AC/DB SKF7212BEGAP* SKF7212BECBY SKF7212BECBM SKF7212C SKF7212B/DT SKF7212BECBP* SKF2x7212BEGBP* SKF7212B SKF7212BECBJ SKF7212BECBP*

用户关注最多的轴承狗热门型号

TIMKEN  5206W SKF  SNL3040G FAG  BND3144-H-C-T-BL-S INA  GW12 NSK  6200T1XZZ ZKL  7228B/DB NSK  NJ2230W SKF  CR13981 SKF  CR42557 TIMKEN  K80X88X30 NACHI  SN609E KOYO  7311AC/DT NSK  7312BWG NTN  NUP2240 FAG  SNV090-L + 1308-K-TVH-C3 + H308X105 + TSV608X105

版权所有©2009-2015 轴承狗zcgou.com ICP备案:津ICP备14004550号-13