SKF7212BEY轴承详细参数

发布时间:2026-04-14
角接触球轴承, 单列
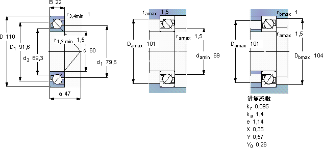
主要数据尺寸 尺寸 [英寸] 疲劳负荷限值 额定速度 体积 型号
动态 静态 参照速度 限制速度
d D B C C0 Pu
mm kN kN r/min kg -
601102257,245,51,93700070000,837212 BEY

SKF7212BEY角接触球轴承供应商

八零动力专业销售7212BEY角接触球轴承,库存SKF7212BEY大量现货,与SKF合作,咨询热线:022-58519723业务咨询
SKF7212BEY它的耐腐蚀性,减少了维护成本 它的沟槽设计,完美匹配滚动体的运动轨迹 这轴承的制造工艺精湛,展现出了极高的工业水准打造出了性能卓越的这款轴承,该轴承的精度控制达到了极致坚固耐用卓越的性能表现,让这款轴承在市场上脱颖而出,八零动力SKF角接触球轴承品种全,价格优,质量有保证!

用户关注最多的SKF轴承型号

SKF312980D SKF31328XJ2/DF SKF3204A* SKF3218 SKF51101V/HR22Q2 SKF6219-2Z/VA201 SKFBS2-2315-2CSK/VT143* SKFBT4B331968BG/HA1 SKFCR10205 SKFCR17435 SKFCR2025250 SKFCR33X45X7HMS5V SKFFSAFC2315 SKFOKF410 SKFS71926CD/HCP4A

7212BEY角接触球轴承近似的SKF轴承型号

SKF2x7212BEGBP* SKF7212BECBY SKF7212BEP SKF7212BEY SKF2x7212BECBM* SKF7212BECBY SKF7212AC/DT SKF2x7212BEGAM* SKF7212BECBP SKF7212B/DB SKF7212BEP SKF7213AC

用户关注最多的轴承狗热门型号

TIMKEN  EE113091/113171D SKF  7200AC/DF NACHI  52202 SKF  22320E SKF  NJG2320VH FAG  LOE544-N-BF-L 国产  32311 NSK  7232B NTN  NF206 INA  PAP1212-P14 FAG  SNV140-L + 2313-TVH + TCV313 NSK  70BNR10H SKF  W61901-2Z LYC  1787/1305 IKO  NAXI4032

版权所有©2009-2015 轴承狗zcgou.com ICP备案:津ICP备14004550号-13