
SKFHMVC19E轴承详细参数
发布时间:2026-05-30
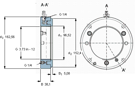
| | | | | | | | | | | | |
| Hydraulic nuts, inch sizes |
|  |
| 螺纹尺寸 | 尺寸 | Permitted | Piston area | 体积 | 型号 |
| | | | | | | | piston | | | | |
| | G | d1 | d2 | d3 | B | B1 | displacement | | | | |
|  |
| mm | mm (metric sizes) | mm | mm | mm2 (metric sizes) | kg | - |
| | in - threads/in (inch sizes) | | | | | | | in2 (inch sizes) | | | |
|  |
| 93,368 | 3.73 in - 12 | 96,52 | 152,4 | 162,56 | 38,1 | 5,08 | 5,08 | 7,6 | 9,5 | HMVC 19E | - |
SKFHMVC19E轴承附件供应商
- 八零动力专业销售HMVC19E轴承附件,库存SKFHMVC19E大量现货,与SKF合作,咨询热线:022-58519723

- SKFHMVC19E转动不停歇性能卓越的它,为机械设备的稳定运行提供了可靠保障设计独特、性能优越的轴承,满足了不同用户的需求它的耐高温性能,让它在极端环境下依然稳定运行 它的密封性能,完美抵御灰尘和杂质的侵袭 设计合理、性能优良的它,是机械设备稳定运行的重要保障,八零动力SKF轴承附件品种全,价格优,质量有保证!
用户关注最多的SKF轴承型号
SKF292/630EM
SKF313513
SKF32303J2/Q
SKF32321J2
SKF32924
SKF51207V/HR22Q2
SKF60/670N1MAS
SKFBTM110B/P4CDBA
SKFCR55X80X8HMSA10RG
SKFFY15TF
SKFGE160ES-2LS
SKFN1014KTNHA/SP
SKFPCM140145100E
SKFRNA4922
SKFSC7024DB/P7