SKF7209BEY轴承详细参数

发布时间:2026-04-14
角接触球轴承, 单列
主要数据尺寸 尺寸 [英寸] 疲劳负荷限值 额定速度 体积 型号
动态 静态 参照速度 限制速度
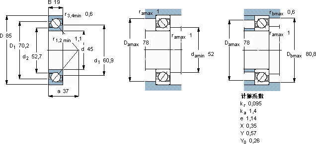
d D B C C0 Pu
mm kN kN r/min kg -
45851937,7281,2900090000,437209 BEY

SKF7209BEY角接触球轴承供应商

八零动力专业销售7209BEY角接触球轴承,库存SKF7209BEY大量现货,与SKF合作,咨询热线:022-58519723业务咨询
SKF7209BEY这轴承的设计精妙,充分考虑了各种实际应用需求转动的艺术性能优越的轴承,极大地提高了设备的工作效率和稳定性以卓越品质没有轴承,现代机械将寸步难行,设计合理、性能优良的它,是机械设备实现高效运行的重要保障,八零动力SKF角接触球轴承品种全,价格优,质量有保证!

用户关注最多的SKF轴承型号

SKF240/750ECAK30/W33+AOH240/750G* SKF308NR SKF31315 SKF3208A-2RS1TN9/MT33* SKF6310-2RS1* SKFAN18 SKFAXK150190 SKFCR1500380 SKFCR400601 SKFCR4931 SKFCR78738 SKFGEZ106TXE-2LS SKFNNU4924B/SPW33 SKFS7006CD/HCP4A SKFSYH1.1/2TF/AH

7209BEY角接触球轴承近似的SKF轴承型号

SKF7209B SKF2x7209BECBJ SKF7209B/DT SKF7209AC/DB SKF7209BECBP SKF7209AC/DT SKF2x7209BEGAP* SKF7209BEY SKF7209C SKF2x7209BECBP* SKF7209BEP SKF7210AC

用户关注最多的轴承狗热门型号

FAG  SD3196-H-TS-AF-L + 23196-K-MB FAG  22324-E1-K LYC  QJF 212 M/C3 ZKL  7220B KOYO  687/672 LYC  30202 NSK  7215A KOYO  NJ2224+HJ2224 BARDEN  7214AC/DB SKF  HK3020 SNR  7314C/DT TIMKEN  95512X/95925 RHP  3310A TIMKEN  80BIH359 IKO  CRH14VBUUR

版权所有©2009-2015 轴承狗zcgou.com ICP备案:津ICP备14004550号-13