SKF2x7207BEGAM*轴承详细参数

发布时间:2026-05-31
角接触球轴承, 单列,用于配对安装, 面对面配对
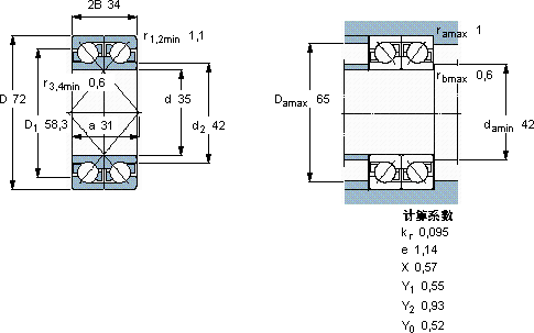
主要数据尺寸 基本负荷额定值 疲劳负荷限值 额定速度 体积 型号 轴承配对
动态 静态 参照速度 限制速度
d D 2B C C0 Pu * - SKF Explorer 轴承
mm kN kN r/min kg --
3572345141,51,769500120000,602 × 7207 BEGAM *DF

SKF2x7207BEGAM*角接触球轴承供应商

八零动力专业销售2x7207BEGAM*角接触球轴承,库存SKF2x7207BEGAM*大量现货,与SKF合作,咨询热线:022-58519723业务咨询
SKF2x7207BEGAM*是您机械世界里的不败功臣,质量上乘的轴承,为设备的高效稳定运行奠定了基础以卓越品质优秀的轴承,就像精密仪器的心脏,确保着整个系统的高效运转承载无限可能,始终顺滑如初,,八零动力SKF角接触球轴承品种全,价格优,质量有保证!

用户关注最多的SKF轴承型号

SKF23134CCK/W33* SKF31305J2/QDF SKF31318T103J2/DB31 SKF315802/VJ202 SKF51205V/HR22T2 SKF7202BECBP* SKFBT4B328838BG/HA1VA901 SKFCR18818 SKFCR30x40x7CRW1R SKFCR9879 SKFFSAFC2517 SKFN040 SKFN2212 SKFNK43/30 SKFT7FC045/HN3QCL7C

2x7207BEGAM*角接触球轴承近似的SKF轴承型号

SKF7207BECBM* SKF7207BECBM SKF2x7207BECBP* SKF7207AC SKF7207BEY SKF7207C SKF7207BECBY SKF2x7207BEGAY SKF7207BECBP SKF7207B/DB SKF2x7207BECBY SKF2x7207BEGAP*

用户关注最多的轴承狗热门型号

STEYR  7311B/DF SKF  NCF29/600V SKF  SA12C INA  KTBO30-PP-AS LYC  6310 ETN1 KOYO  2319K NACHI  54315U 国产  61911-Z SKF  KMFE11 TIMKEN  HM926747/HM926710DC/HM926747XA MRC  7211B/DT NTN  7315C/DT MRC  3208A SKF  SAF23026KAx4.3/8 IKO  MXS25

版权所有©2009-2015 轴承狗zcgou.com ICP备案:津ICP备14004550号-13