SKF7206BEP轴承详细参数

发布时间:2026-04-15
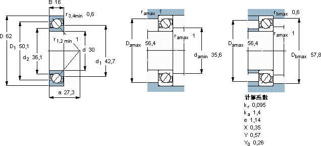
角接触球轴承, 单列
主要数据尺寸 尺寸 [英寸] 疲劳负荷限值 额定速度 体积 型号
动态 静态 参照速度 限制速度
d D B C C0 Pu
mm kN kN r/min kg -
30621622,514,30,6113000130000,197206 BEP

SKF7206BEP角接触球轴承供应商

八零动力专业销售7206BEP角接触球轴承,库存SKF7206BEP大量现货,与SKF合作,咨询热线:022-58519723业务咨询
SKF7206BEP是您机械世界里的不败功臣,其质量上乘,是众多机械设备不可或缺的优质配件轴承的耐用性出色,能够长时间保持良好的工作状态轴承的耐用性强,减少了设备的停机维护时间承载重载历经岁月这轴承的精度控制令人佩服,为设备的精准运行提供了保障,八零动力SKF角接触球轴承品种全,价格优,质量有保证!

用户关注最多的SKF轴承型号

SKF231/1000CAKF/W33+AOH31/1000 SKF30316J2 SKF32011 SKF3208A-RS SKF33113R/Q SKF7218BEGBF SKFCR200X230X13HMSA7P2R SKFCR4931 SKFCR50X68X10HMSA10RG SKFGE45TXE-2LS SKFNU1024ML SKFNU216ECP* SKFPWM180200180 SKFS71911FB/P7 SKFSYM2.15/16TF

7206BEP角接触球轴承近似的SKF轴承型号

SKF7206AC/DF SKF7206B SKF7206BEGBY SKF7206BECBM* SKF7206BECAP* SKF7206BEGBP* SKF7206B/DF SKF7206BECBM SKF7206AC/DB SKF7206BEGAY SKF7206BEGBY SKF7206BEY

用户关注最多的轴承狗热门型号

INA  RWS1808-250/x250/x236 TIMKEN  71425/71751D SKF  7210C/DT TIMKEN  SAF22522 NTN  NN3026K SKF  NNU4944B/SPW33 SKF  PF50RM NTN  61913-Z TIMKEN  GYAE50RRB TIMKEN  H969249/H969210D+H969249XA SKF  NJ2220ECP NSK  6209ZZ ZKL  NU319 IKO  GTR203320 IKO  CF-SFU-18B

版权所有©2009-2015 轴承狗zcgou.com ICP备案:津ICP备14004550号-13