SKF232/600CAK/W33+OH32/600H轴承详细参数

发布时间:2026-04-15
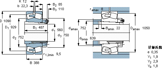
球面滚子轴承, 带紧定套的
主要数据尺寸 基本负荷额定值 疲劳负荷限值 额定速度 体积 型号
动态 静态 参照速度 限制速度 轴承 + 紧定套
d1 D B C C0 Pu
mm kN kN r/min kg -
5601090388131002550015602604001780232/600 CAK/W33 + OH 32/600 H

SKF232/600CAK/W33+OH32/600H球面滚子轴承供应商

八零动力专业销售232/600CAK/W33+OH32/600H球面滚子轴承,库存SKF232/600CAK/W33+OH32/600H大量现货,与SKF合作,咨询热线:022-58519723业务咨询
SKF232/600CAK/W33+OH32/600H它的密封性能,减少了润滑剂的泄漏 它的品质卓越,为机械设备的高效、稳定运行保驾护航它的静音设计,让机械运转如丝般顺滑 它在矿山设备中的应用,确保了设备的高负载能力 精湛的制造工艺赋予了这款轴承出色的性能和可靠性性能卓越的它,为机械设备的稳定运行提供了可靠保障,八零动力SKF球面滚子轴承品种全,价格优,质量有保证!

用户关注最多的SKF轴承型号

SKF22313E/VA405* SKF32310BJ2/QCL7C* SKF628-RS1* SKF7011ACE/HCP4A SKF7022AC/DF SKFBT2-8009/HA3 SKFCR26X38X5HMS5V SKFCR32x47x8CRW1V SKFCR80X110X10HMS5V SKFCRMVR2-95 SKFFYJ30TF SKFH3134 SKFNNC4912CV SKFNNU4856/W33 SKFSNW3044x7.7/8

232/600CAK/W33+OH32/600H球面滚子轴承近似的SKF轴承型号

SKF232/600CAK/W33 SKF23276CAK/W33* SKF23256CCK/W33* SKF23244CCK/W33+AOH2344* SKF232/530CAK/W33+AOH32/530G SKF23228CCK/W33+AHX3228G* SKF23240-2CS5/VT143* SKF22326CCKJA/W33VA405* SKF23260CCK/W33* SKF23284CAK/W33+OH3284H* SKF232/600CAK/W33+AOH32/600G SKF232/600CAK/W33

用户关注最多的轴承狗热门型号

LYC  BFCD 84120440 SKF  BK2020 LYC  1797/2600 LYC  332302 国产  NUP417Q1/S0 ZKL  NJ334 SKF  53210U SKF  5307A-2RS1* NTN  7300AC TIMKEN  RA201RRB STEYR  6407 INA  KWVE45-B-KT 国产  K8*11*9 SKF  NNU4096KM/W33 IKO  LRT253030

版权所有©2009-2015 轴承狗zcgou.com ICP备案:津ICP备14004550号-13