SKF7205BECBM*轴承详细参数

发布时间:2026-04-29
角接触球轴承, 单列
主要数据尺寸 尺寸 [英寸] 疲劳负荷限值 额定速度 体积 型号
动态 静态 参照速度 限制速度
d D B C C0 Pu * - SKF Explorer 轴承
mm kN kN r/min kg -
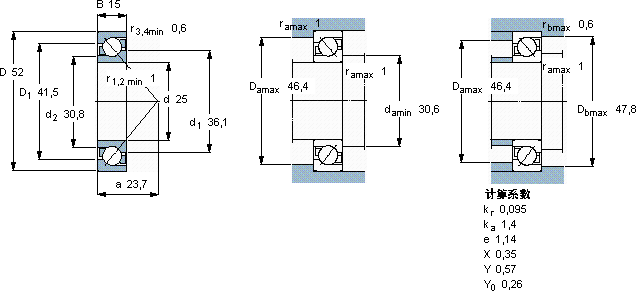
25521515,6100,4317000170000,147205 BECBM *

SKF7205BECBM*角接触球轴承供应商

八零动力专业销售7205BECBM*角接触球轴承,库存SKF7205BECBM*大量现货,与SKF合作,咨询热线:022-58519723业务咨询
SKF7205BECBM*它的轴向游隙控制,精准到令人惊叹 它的低摩擦设计,减少了能量损耗 它的质量卓越,为机械设备的安全运行保驾护航引领行业速度,我们的轴承始终稳如磐石它的高可靠性,减少了设备停机时间 它的精密测量技术,确保了每一件产品的品质 ,八零动力SKF角接触球轴承品种全,价格优,质量有保证!

用户关注最多的SKF轴承型号

SKF239/800CA/W33 SKF30224J2 SKF331625 SKF6312* SKFBS2B243268 SKFBTM80A/HCP4CDBB SKFCR30X62X7HMS5V SKFHE2317 SKFNNU4920K/W33 SKFNX12Z SKFPWKR47.2RS SKFSC71908FB/P7 SKFRNA4907 SKFSYNT65LTS SKFSYR2.7/16H

7205BECBM*角接触球轴承近似的SKF轴承型号

SKF7205BECBM SKF2x7205BEGAP* SKF7205BECBM* SKF2x7205BECBP* SKF7205BECBY SKF7205AC/DT SKF7205BECBY SKF2x7205BEGBY SKF7205AC/DB SKF7205BEGAY SKF7205CD/P4A SKF7208C/DT

用户关注最多的轴承狗热门型号

GMN  7032C/DT SKF  MB9 国产  1307 FAG  NN3020-AS-K-M-SP LYC  6308 E/P6 SKF  CR45X72X10HMSA10V TIMKEN  14131 /14276-B FAG  22319-E1-K + AHX2319 INA  K81112-TV NSK  7212CDF INA  NKI55/35 NACHI  O-24 LYC  N 6/368.3/C3 NTN  16013 STEYR  7317B/DB

版权所有©2009-2015 轴承狗zcgou.com ICP备案:津ICP备14004550号-13