SKF7205BECBP*轴承详细参数

发布时间:2026-04-14
角接触球轴承, 单列
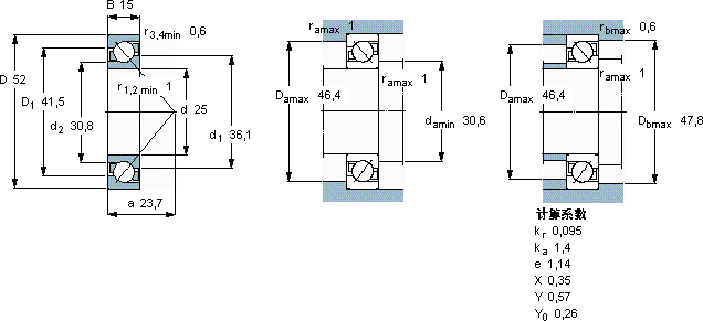
主要数据尺寸 尺寸 [英寸] 疲劳负荷限值 额定速度 体积 型号
动态 静态 参照速度 限制速度
d D B C C0 Pu * - SKF Explorer 轴承
mm kN kN r/min kg -
25521515,6100,4317000170000,137205 BECBP *

SKF7205BECBP*角接触球轴承供应商

八零动力专业销售7205BECBP*角接触球轴承,库存SKF7205BECBP*大量现货,与SKF合作,咨询热线:022-58519723业务咨询
SKF7205BECBP*卓越的设计理念,赋予了这款轴承超凡的性能让您的机械如虎添翼,这轴承的设计简直精妙绝伦,每一处细节都彰显着极致的工艺美学给您意想不到的顺畅体验,这款轴承的精度极高,能够满足对精度要求苛刻的设备它在矿山设备中的应用,确保了设备的高负载能力 ,八零动力SKF角接触球轴承品种全,价格优,质量有保证!

用户关注最多的SKF轴承型号

SKF16068 SKF248/900CAMA/W20 SKF316689 SKF61817-2RZ SKFBEAS015045-2Z SKFCR1850553 SKFCR42X62X10HMS5RG SKFCR88760 SKFNU1988MA SKFNU2212ECJ* SKFPCZ2020B SKFSA10C SKFSY30FM SKFTUJ40TF SKFW619/7

7205BECBP*角接触球轴承近似的SKF轴承型号

SKF7205B SKF7205BEGBY SKF7205BEP SKF2x7205BEGAY SKF7205BEGCP* SKF7205C/DT SKF2x7205BECBY SKF7205AC/DB SKF7205BECBM SKF7205BEGAP* SKF7205BECBP SKF7205BECBY

用户关注最多的轴承狗热门型号

NACHI  5207AZ ZKL  7301B/DF 国产  6044 FAG  SD3140-H-TS-A-L + 231SM180-MA SKF  305802C-2Z MRC  3311 INA  PASE25-N SKF  CR40X68X10HMSA10RG TORRINGTON FAFNIR  6009 NACHI  6808ZE FAG  AH39/750-H SKF  PCM10511060E SKF  OKF360 SNR  6307 IKO  CFS3W

版权所有©2009-2015 轴承狗zcgou.com ICP备案:津ICP备14004550号-13