SKF7205BEP轴承详细参数

发布时间:2026-04-15
角接触球轴承, 单列
主要数据尺寸 尺寸 [英寸] 疲劳负荷限值 额定速度 体积 型号
动态 静态 参照速度 限制速度
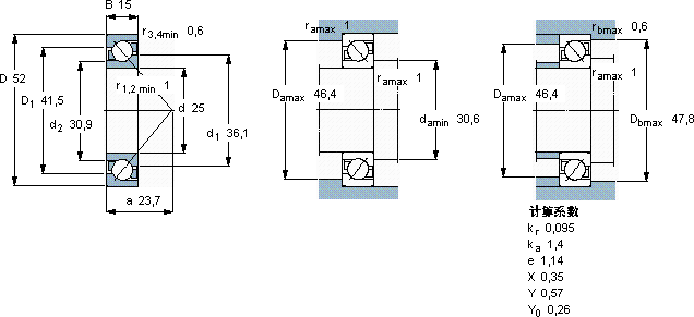
d D B C C0 Pu
mm kN kN r/min kg -
25521514,89,30,415000150000,137205 BEP

SKF7205BEP角接触球轴承供应商

八零动力专业销售7205BEP角接触球轴承,库存SKF7205BEP大量现货,与SKF合作,咨询热线:022-58519723业务咨询
SKF7205BEP精湛的制造工艺赋予了这款轴承卓越的性能和品质 从制造工艺到实际性能,这款轴承都表现得十分出色,是您值得信赖的工业伙伴,为您的机械保驾护航质量无可挑剔的轴承,在行业内树立了良好的口碑和形象它虽小,却是工业革命的基石 它的长寿命,减少了更换频率 ,八零动力SKF角接触球轴承品种全,价格优,质量有保证!

用户关注最多的SKF轴承型号

SKF23128CC/W33 SKF2x7310BEGAM* SKF30232 SKF32064X/DF SKF47487/47420 SKFCR115X140X12HMS5V SKFCR97064 SKFKMFE22L SKFN2328 SKFNUP228ECML* SKFNX10 SKFPWM160180150 SKFS7016DB/P7 SKFSAFC2538x7 SKFTU1.5/16WF

7205BEP角接触球轴承近似的SKF轴承型号

SKF7205BEP SKF7205AC/DT SKF7205B/DT SKF7205C SKF7205BEY SKF7205C/DT SKF7205BEGAY SKF2x7205BEGBY SKF2x7205BECBM* SKF7205C/DF SKF7205BEGCP* SKF7205BEY

用户关注最多的轴承狗热门型号

SKF  SAFC2618 NTN  NU1006 SNFA  71915C LYC  32964 X2 SKF  7218ACD/P4A TIMKEN  14130/14282 国产  NU2234EM+HJ2234 NTN  606-2Z ASAHI  UC321 SKF  C2314K* NSK  7215CDT DKF  7224AC/DB SKF  6021-2Z SKF  IR5x8x12 IKO  LRT283230

版权所有©2009-2015 轴承狗zcgou.com ICP备案:津ICP备14004550号-13