SKF7205BECBY轴承详细参数

发布时间:2026-04-14
角接触球轴承, 单列
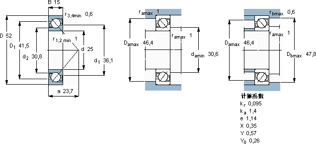
主要数据尺寸 尺寸 [英寸] 疲劳负荷限值 额定速度 体积 型号
动态 静态 参照速度 限制速度
d D B C C0 Pu
mm kN kN r/min kg -
25521515,610,20,4315000150000,137205 BECBY

SKF7205BECBY角接触球轴承供应商

八零动力专业销售7205BECBY角接触球轴承,库存SKF7205BECBY大量现货,与SKF合作,咨询热线:022-58519723业务咨询
SKF7205BECBY给您意想不到的顺畅体验,它在食品机械中的应用,展现了它的卫生性能 承载重载历经岁月这轴承的稳定性极佳,即使在恶劣环境下也能正常工作质量无可比拟的轴承,在行业内树立了良好的品质标杆卓越的性能和可靠的质量,让这款轴承成为市场的宠儿,八零动力SKF角接触球轴承品种全,价格优,质量有保证!

用户关注最多的SKF轴承型号

SKF15103S/15245/Q SKF6201/HR22T2 SKF7012C SKF812/800M SKFAHX2328/125G SKFCR1000x1050x23HDS2R SKFCR145X175X15HMS5V SKFCR35X47X6HMSA10RG SKFFYNT45L SKFFYR3.1/2-3 SKFGS89308 SKFNJ2205E+HJ2205E SKFNJ319ECML* SKFOKCX490 SKFPDNB311

7205BECBY角接触球轴承近似的SKF轴承型号

SKF7205BECBM* SKF7205BEP SKF2x7205BEGBY SKF2x7205BEGCP* SKF7205B/DF SKF7205BEY SKF7205C/DT SKF7205BECBY SKF7205BEP SKF7205C/DB SKF7205BECBP* SKF7205BEGAP*

用户关注最多的轴承狗热门型号

SKF  SAFC2318 NTN  23238CCK/W33+H2338 SKF  22311EK* DKF  7324B/DT 国产  RNA4920A LYC  7206 CM NTN  NU2309 INA  MDKUE15-3ZR LYC  LY-N026 NSK  232/850CAE4 NTN  7324C NACHI  SN512E SKF  RMS5 国产  NKIB5909 LYC  2312

版权所有©2009-2015 轴承狗zcgou.com ICP备案:津ICP备14004550号-13