SKF7204BEGAP*轴承详细参数

发布时间:2026-04-15
角接触球轴承, 单列
主要数据尺寸 尺寸 [英寸] 疲劳负荷限值 额定速度 体积 型号
动态 静态 参照速度 限制速度
d D B C C0 Pu * - SKF Explorer 轴承
mm kN kN r/min kg -
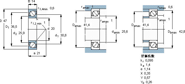
20471414,38,150,34519000190000,117204 BEGAP *

SKF7204BEGAP*角接触球轴承供应商

八零动力专业销售7204BEGAP*角接触球轴承,库存SKF7204BEGAP*大量现货,与SKF合作,咨询热线:022-58519723业务咨询
SKF7204BEGAP*它的低摩擦设计,减少了能量损耗 这款轴承的性能卓越,有效提升了设备的整体性能和可靠性它的长寿命,减少了资源浪费 它虽小,却是工业革命的基石 高精度的制造工艺,造就了这款高品质的轴承精湛的工艺打造出的轴承,精度和稳定性都令人称赞,八零动力SKF角接触球轴承品种全,价格优,质量有保证!

用户关注最多的SKF轴承型号

SKF22264CC/W33* SKF2306K+H2306 SKF239/850CAK/W33* SKF51107V/HR11Q1 SKF61909-2RS SKF6220-Z* SKFBT4B331700AG/HA4 SKFC3030KMB* SKFC30/800KMB* SKFC3168KM* SKFCR22x35x7CRW1V SKFCR48X70X10HMS5V SKFHME30/500 SKFNNCL4940CV SKFSNW120x3.7/16

7204BEGAP*角接触球轴承近似的SKF轴承型号

SKF7204B SKF7204BECBM SKF2x7204BEGAP* SKF2x7204BECBY SKF7204BECBY SKF7204AC/DB SKF7204AC/DF SKF7204BEGAP* SKF7204BEP SKF7204BECBM SKF7204BECBY SKF7204BEGBP*

用户关注最多的轴承狗热门型号

国产  32026 SKF  7202C/DF 国产  22332K LYC  NNF 5013-2LSNV/YB FAG  SNV062-L + 2206-K-TVH-C3 + H306X014 + FSV506X014 INA  TCJ40-N LYC  LY-5012/P4 LYC  29472 SKF  AHX2326G LYC  7203 E FAG  NU1084-M1 SKF  7220B/DF LYC  3-646G2 IKO  RNA4912UU IKO  LMS3F

版权所有©2009-2015 轴承狗zcgou.com ICP备案:津ICP备14004550号-13