SKF7204BECBP*轴承详细参数

发布时间:2026-04-15
角接触球轴承, 单列
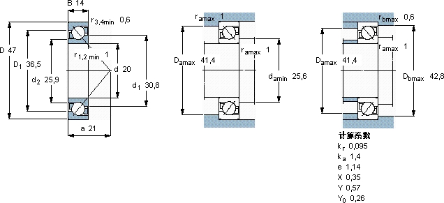
主要数据尺寸 尺寸 [英寸] 疲劳负荷限值 额定速度 体积 型号
动态 静态 参照速度 限制速度
d D B C C0 Pu * - SKF Explorer 轴承
mm kN kN r/min kg -
20471414,38,150,34519000190000,117204 BECBP *

SKF7204BECBP*角接触球轴承供应商

八零动力专业销售7204BECBP*角接触球轴承,库存SKF7204BECBP*大量现货,与SKF合作,咨询热线:022-58519723业务咨询
SKF7204BECBP*转动世界的精密之选,优秀的设计和卓越的性能,让这款轴承备受青睐它的加工精度,确保了机械运转的稳定性 这轴承的稳定性极佳,在高速运转时也能保持良好状态零误差起步没有轴承,现代机械将寸步难行,,八零动力SKF角接触球轴承品种全,价格优,质量有保证!

用户关注最多的SKF轴承型号

SKF11590/11520/Q SKF81114 SKFAOH3048 SKFBT4B332822/HA1 SKFCR15X25X6HMS5RG SKFCR400184 SKFCR524216 SKFNU2072ECMA SKFOKC920 SKFPWM657550 SKFRNAO30x42x16 SKFRNU1009ECP SKFS7014ACD/P4A SKFSYH2.TF/AH SKFW6009

7204BECBP*角接触球轴承近似的SKF轴承型号

SKF2x7204BECBM SKF2x7204BEGBP* SKF7204B SKF7204BECBP* SKF7204BEGBP* SKF7204BECBY SKF7204BEGAP* SKF7204BECBY SKF7204C/DF SKF7204BECBP SKF7204BECBM SKF7204BECBY

用户关注最多的轴承狗热门型号

INA  RASEY35-JIS FAG  SNV180-L + 22317-E1-K + H2317X215 + DHV617 SNR  7322B/DB 国产  1008/850 NTN  UCP310 NSK  7019ADT ZKL  NJ336 SKF  3217A SKF  619/710MA KOYO  17119/244 FAG  SD3168-H-TS-AL-L + 23168-B-K-MB SKF  NU1036ML BARDEN  7209C/DT LYC  61901 NTN  UKFU307+H2307

版权所有©2009-2015 轴承狗zcgou.com ICP备案:津ICP备14004550号-13