SKF7204BECBY轴承详细参数

发布时间:2026-04-15
角接触球轴承, 单列
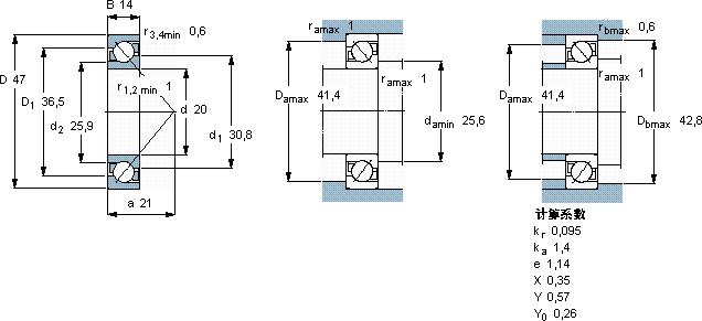
主要数据尺寸 尺寸 [英寸] 疲劳负荷限值 额定速度 体积 型号
动态 静态 参照速度 限制速度
d D B C C0 Pu
mm kN kN r/min kg -
204714148,30,35518000180000,117204 BECBY

SKF7204BECBY角接触球轴承供应商

八零动力专业销售7204BECBY角接触球轴承,库存SKF7204BECBY大量现货,与SKF合作,咨询热线:022-58519723业务咨询
SKF7204BECBY它的制造工艺,堪称工业艺术的典范 机械的心脏这轴承的精度控制令人佩服,为设备的精准运行提供了保障这款轴承的精度极高,能够满足对精度要求苛刻的设备卓越的设计和可靠的性能,是这款轴承的两大亮点它机械世界的心脏,默默支撑着无数设备的运转 ,八零动力SKF角接触球轴承品种全,价格优,质量有保证!

用户关注最多的SKF轴承型号

SKF331381 SKF7010C/DT SKF71903CD/P4A SKF7202B/DF SKF7208B/DF SKFCR22407 SKFCR99513 SKFFYR2.15/16H SKFFYRP2.7/16H-3 SKFFYT1.3/8TF/AH SKFKRV19PPA SKFSDAFS22522x4 SKFSY1.1/2TF SKFW22 SKFZ008

7204BECBY角接触球轴承近似的SKF轴承型号

SKF7204BECBM SKF7204BEGBP* SKF2x7204BEGBP* SKF7204BECBP* SKF7204C SKF7204AC SKF7204AC/DF SKF7204AC/DB SKF7204C/DF SKF7204AC/DT SKF7204BECBP* SKF7204BEGAP*

用户关注最多的轴承狗热门型号

DKF  7324AC/DF RHP  51112 KOYO  2220K+H320 NTN  7304AC/DF BARDEN  7219AC/DB SKF  H310 KOYO  29338 FAG  NU2238-E-M1 FAG  H24172-HG NTN  NA4824 FAG  23132-E1A-M 国产  33008 SKF  RNA4856 FAG  SD3160-H-TS-BL-L + 231SM280-MA NSK  7015CDB

版权所有©2009-2015 轴承狗zcgou.com ICP备案:津ICP备14004550号-13