SKF7204BECBM轴承详细参数

发布时间:2026-04-14
角接触球轴承, 单列
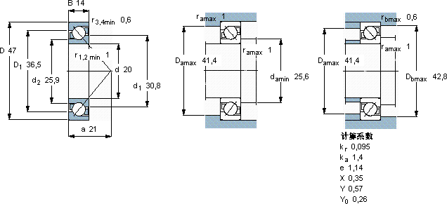
主要数据尺寸 尺寸 [英寸] 疲劳负荷限值 额定速度 体积 型号
动态 静态 参照速度 限制速度
d D B C C0 Pu
mm kN kN r/min kg -
20471413,37,650,32518000190000,117204 BECBM

SKF7204BECBM角接触球轴承供应商

八零动力专业销售7204BECBM角接触球轴承,库存SKF7204BECBM大量现货,与SKF合作,咨询热线:022-58519723业务咨询
SKF7204BECBM它的故障率极低,确保了设备的稳定运行 这轴承的稳定性极佳,即使在恶劣环境下也能正常工作它的可靠性,赢得了无数工程师的信任 品质永相随它的设计巧妙,在保证性能的同时,还兼顾了安装的便捷性高精度的制造工艺,造就了这款高品质的轴承,八零动力SKF角接触球轴承品种全,价格优,质量有保证!

用户关注最多的SKF轴承型号

SKF2201 SKF230/710CAK/W33+AOH30/710* SKF23264CACK/W33 SKF51106V/HR11Q1 SKF54306 SKF618/750MA SKF68450/68712 SKF7216C/DT SKFBC2B322969/HB1 SKFC71907DB/P7 SKFCR126X147X11CRSA1R SKFCR87915 SKFCR90221 SKFCR99471 SKFP72R-30WF

7204BECBM角接触球轴承近似的SKF轴承型号

SKF7204BECBM SKF7204C/DB SKF2x7204BECBM SKF2x7204BEGBP* SKF7204BEGBP* SKF7204AC SKF7204B/DF SKF7204AC/DB SKF7204BEGAP* SKF7204BECBP* SKF7204CD/P4A SKF7204BECBP*

用户关注最多的轴承狗热门型号

INA  CSEC040 NSK  53252X DKF  7218AC/DB LYC  30312 INA  RASE30-FA164 LYC  352226 X2-2RZ NSK  7903CDB NACHI  7204BDB BARDEN  7030AC/DF FAG  SNV072-L + 1207-TVH + DH207 NTN  61805-2RS TIMKEN  HMV-56 SKF  PCM323640B TIMKEN  795/792CD+X4S-795 NTN  6211-2RZ

版权所有©2009-2015 轴承狗zcgou.com ICP备案:津ICP备14004550号-13