SKFCR54000轴承详细参数

发布时间:2026-04-22
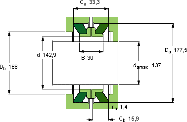
机械密封件
尺寸 密封
da Da Ca d Cb
最大
mm mm - - - -
137177,533,3142,915,9HDDF1RCR 5400054000

SKFCR54000机械密封件供应商

八零动力专业销售CR54000机械密封件,库存SKFCR54000大量现货,与SKF合作,咨询热线:022-58519723业务咨询
SKFCR54000卓越的设计和可靠的性能,是这款轴承的两大亮点这轴承的设计精妙,充分考虑了各种实际应用需求这轴承的选材讲究,坚固耐用,寿命远超同类产品让工作更高效,先进的生产工艺,让这款轴承的性能得到了极大提升它的使用寿命,远超同类产品 ,八零动力SKF机械密封件品种全,价格优,质量有保证!

用户关注最多的SKF轴承型号

SKF23028CCK/33+H3028 SKF2310K+H2310 SKF23964CCK/W33* SKF40 SKF61818-2RS SKF6200-ZNR* SKF7009ACE/HCP4A SKF7226C SKF7228B/DT SKFBT4B329004BG/HA1VA901 SKFC3052K+OH3052H* SKFCR20x30x7CRW1R SKFGX100F SKFNJ326ECM* SKFNU416

CR54000机械密封件近似的SKF轴承型号

SKFCR54000 SKFCR53X72X12CRSH11R SKFCR540x590x20HDS1R

用户关注最多的轴承狗热门型号

LYC  NU 19/1060 M LYC  6203 E-Z/P5 SKF  NN3040K/W33 SKF  22340CCJA/W33VA405 LYC  T4CB100 LYC  NN 3064 K/P52 NTN  NU1038 NTN  N2260 NTN  23932K MRC  71915C/DT LYC  1797/2500K10 STEYR  NJ2328 SKF  SC25ES NTN  NU2330 IKO  IRT5050

版权所有©2009-2015 轴承狗zcgou.com ICP备案:津ICP备14004550号-13