SKF6308-Z*轴承详细参数

发布时间:2026-04-14
深沟球轴承, 单列, 单面防尘罩
主要数据尺寸 基本负荷额定值 疲劳负荷限值 额定速度 体积 型号
动态 静态 参照速度 限制速度
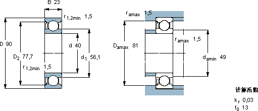
d D B C C0 Pu * - SKF Explorer 轴承
mm kN kN r/min kg -
40902342,3241,0217000110000,636308-Z *

SKF6308-Z*深沟球轴承供应商

八零动力专业销售6308-Z*深沟球轴承,库存SKF6308-Z*大量现货,与SKF合作,咨询热线:022-58519723业务咨询
SKF6308-Z*它的疲劳强度,确保了长期使用的可靠性 轴承的耐用性极佳,能够承受高强度的工作负荷它的耐腐蚀性,减少了维护成本 它在风力发电中的应用,为清洁能源贡献力量 让您的机械如虎添翼,它的精密设计,展现了人类智慧的巅峰 ,八零动力SKF深沟球轴承品种全,价格优,质量有保证!

用户关注最多的SKF轴承型号

SKF24026CCK30/W33 SKF2x7330BCBM SKF30230/DFC350 SKF315018C SKF71918ACD/HCP4A SKF7308BECCY SKFCR110x140x12CRW1V SKFCR670x710x20HDS1R1 SKFCR82526 SKFCR85X130X12HMSA10RG SKFK90x98x27 SKFNJ407TN9 SKFNU406MA SKFOKF100 SKFSAFC2522

6308-Z*深沟球轴承近似的SKF轴承型号

SKF6308NR* SKF6308-2ZNR* SKF6308-ZN SKF6308-ZNR* SKF6308-RZ* SKF6308/W64* SKF6308-Z* SKF6308-2Z/VA208 SKFE2.6308-2Z/C3 SKF6308N* SKF6308-RZ* SKF6308-ZN

用户关注最多的轴承狗热门型号

STEYR  NUP417 SKF  CR62X85X10HMS5RG LYC  802075MH112A FAG  7212-B-TVP NSK  LM121912 LYC  32209/P4 RIV  NF304 SKF  UC209 NTN  UCK306 SNR  6010 NACHI  239/500EW33K SKF  CR99261 国产  NU2317ETN1 NACHI  62/32NR TORRINGTON  AS5070

版权所有©2009-2015 轴承狗zcgou.com ICP备案:津ICP备14004550号-13