SKF6308-2Z/VA201轴承详细参数

发布时间:2026-05-30
深沟球轴承, 用于高温的深沟球轴承, 两面防尘罩
主要数据尺寸 基本负荷额定值 径向内部游隙 体积 型号
静态
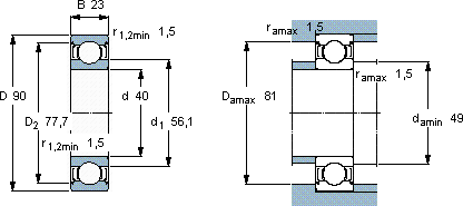
d D B C0 最小 最大
mm kN μm kg -
409023241602560,636308-2Z/VA201

SKF6308-2Z/VA201深沟球轴承供应商

八零动力专业销售6308-2Z/VA201深沟球轴承,库存SKF6308-2Z/VA201大量现货,与SKF合作,咨询热线:022-58519723业务咨询
SKF6308-2Z/VA201它的材质选择,体现了对品质的极致追求 这轴承的制造工艺精湛,展现出了极高的工业水准是您值得信赖的工业伙伴,为您的机械保驾护航它在汽车工业中的应用,让车辆运行更加平稳 高精度的制造工艺,让这款轴承的性能更加出色它在纺织机械中的应用,确保了设备的高速运转 ,八零动力SKF深沟球轴承品种全,价格优,质量有保证!

用户关注最多的SKF轴承型号

SKF135 SKF6008-2RS1/W64* SKF6304-ZN SKF7004CE/HCP4A SKF70/630AMB SKFBTW190CM/SP SKFC2315K* SKFCR16085 SKFCR17523 SKFCR360x390x15.88HS7R SKFCR99395 SKFNU1022M SKFSAFC2315 SKFSC71917FB/P7 SKFWS81188

6308-2Z/VA201深沟球轴承近似的SKF轴承型号

SKF6308/VA201 SKF6308-2ZN SKF6308N* SKF6308-2RZ* SKF6308-2Z/VA208 SKF6308/W64* SKF6308* SKF6308-RZ* SKFE2.6308-2Z/C3 SKF6308-Z* SKF6308-2ZNR* SKF6308-2Z/VA208

用户关注最多的轴承狗热门型号

ZKL  NU2230 TORRINGTON  22220CCK/W33 SKF  NUP412 NSK  7308BYG KOYO  16026 BARDEN  7015C/DB NACHI  240KBD031 NTN  NKI38/30 INA  GS81106 SKF  MB8 SKF  BT4B328921G/HA1VA901 DKF  7226AC/DF NTN  LH-22215EK+AH315 TIMKEN  368A/362XD/X5S-368A FAG  SNV230-L + 20226-K-MB-C3 + H3026 + DH526

版权所有©2009-2015 轴承狗zcgou.com ICP备案:津ICP备14004550号-13