

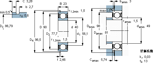
| 深沟球轴承, 单列,带止动环槽, 两面防尘罩 | |||||||||||
| 主要数据尺寸 | 基本负荷额定值 | 疲劳负荷限值 | 额定速度 | 体积 | 型号 | ||||||
| 动态 | 静态 | 参照速度 | 限制速度 | 轴承 | 止动环 | ||||||
| (R = 带止动环) | |||||||||||
| d | D | B | C | C0 | Pu | * - SKF Explorer 轴承 | |||||
| mm | kN | kN | r/min | kg | - | ||||||
| 40 | 90 | 23 | 42,3 | 24 | 1,02 | 17000 | 8500 | 0,63 | 6308-2ZNR * | SP 90 | |
版权所有©2009-2015 轴承狗zcgou.com ICP备案:津ICP备14004550号-13