SKF6308*轴承详细参数

发布时间:2026-05-29
深沟球轴承, 单列, 无密封件
主要数据尺寸 基本负荷额定值 疲劳负荷限值 额定速度 体积 型号
动态 静态 参照速度 限制速度
d D B C C0 Pu * - SKF Explorer 轴承
mm kN kN r/min kg -
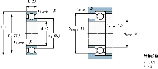
40902342,3241,0217000110000,636308 *

SKF6308*深沟球轴承供应商

八零动力专业销售6308*深沟球轴承,库存SKF6308*大量现货,与SKF合作,咨询热线:022-58519723业务咨询
SKF6308*它的几何精度,让机械运转分毫不差 品质卓越的它,在各种工况下都能展现出优异的性能它在矿山设备中的应用,确保了设备的高负载能力 轴承的稳定性和可靠性表现卓越,赢得了广泛赞誉铸就卓越品质,这款轴承的运转平稳,几乎听不到任何噪音,令人惊艳,八零动力SKF深沟球轴承品种全,价格优,质量有保证!

用户关注最多的SKF轴承型号

SKF02872/02820/Q SKF234732B SKF61824-2RZ SKF71930AC SKFBT4B328817E1/C475* SKFBVNB328362/HA1 SKFCR1000x1050x23HDS2R2 SKFCR34X52X10CRS1R SKFCR82099 SKFFYT1.15/16TF/VA228 SKFGS81244 SKFHK1012.2RS SKFPCM455030M SKFQJ322N2MA SKFSNP3188x16.1/2

6308*深沟球轴承近似的SKF轴承型号

SKF6308-ZNR* SKF6308-2Z* SKF6308N* SKF6308-2Z/VA208 SKF6308/VA201 SKF6308-2ZNR* SKF6308-Z* SKF6308-RS1* SKF6308* SKF6308-2RZ* SKF6307/VA201 SKF6308-2RS

用户关注最多的轴承狗热门型号

NTN  71900C STEYR  N236 FAG  7226-B-TVP STEYR  7211B/DB 国产  K58*63*20 NTN  6004-2RZ NACHI  NJ411 RHP  6017 国产  22213K LYC  BFCDP 2403181050/P64 STEYR  NU2224 SKF  23938CCK/W33+H3938 SNR  51201 INA  GYE17-KRR-B-VA IKO  GBRI142616

版权所有©2009-2015 轴承狗zcgou.com ICP备案:津ICP备14004550号-13