SKF6305-2RS1*轴承详细参数

发布时间:2026-04-15
深沟球轴承, 单列, 两面密封件
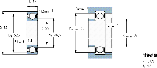
主要数据尺寸 基本负荷额定值 疲劳负荷限值 额定速度 体积 型号
动态 静态 参照速度 限制速度
d D B C C0 Pu * - SKF Explorer 轴承
mm kN kN r/min kg -
25621723,411,60,49-75000,236305-2RS1 *

SKF6305-2RS1*深沟球轴承供应商

八零动力专业销售6305-2RS1*深沟球轴承,库存SKF6305-2RS1*大量现货,与SKF合作,咨询热线:022-58519723业务咨询
SKF6305-2RS1*它的品质卓越,为机械设备的高效、稳定运行保驾护航轴承的耐用性超乎想象,有效降低了设备的维护成本坚固耐用它的几何精度,让机械运转分毫不差 它的耐用性,让人惊叹不已 它的润滑技术,减少了润滑剂的使用 ,八零动力SKF深沟球轴承品种全,价格优,质量有保证!

用户关注最多的SKF轴承型号

SKF23230CC/W33 SKF332060 SKF482/472/Q SKF71914C/DF SKFBSD45100CG SKFBT4-8065G/HA1 SKFCR2700564 SKFCR45112 SKFIR65x73x35 SKFMB15 SKFNNCL4980CV SKFNU210E SKFOH3064H SKFPCMS1005002.5E SKFSYF25FM

6305-2RS1*深沟球轴承近似的SKF轴承型号

SKF6305-ZN SKF6305-RZ* SKF6305-2RS1* SKFW6305-2RS1 SKF6305ETN9 SKF6305-ZNR* SKF6305-RS1* SKF6305* SKFW6305 SKF6305NR* SKF6305-2RS SKF6305-2RZ*

用户关注最多的轴承狗热门型号

INA  ZM17 INA  KRV72-PP SKF  HK1416 TIMKEN  HM804843/HM804810 STEYR  6238 FAG  234710-M-SP TORRINGTON FAFNIR  6012N SKF  CR35X45X4HM4R NSK  HR30221J NSK  1318K SKF  QJ216MA GMN  7211B/DB TORRINGTON FAFNIR  61903 KOYO  7234C IKO  NAG4904UU

版权所有©2009-2015 轴承狗zcgou.com ICP备案:津ICP备14004550号-13