SKF6305-RS1*轴承详细参数

发布时间:2026-04-15
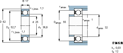
深沟球轴承, 单列, 单面密封件
主要数据尺寸 基本负荷额定值 疲劳负荷限值 额定速度 体积 型号
动态 静态 参照速度 限制速度
d D B C C0 Pu * - SKF Explorer 轴承
mm kN kN r/min kg -
25621723,411,60,49-75000,236305-RS1 *

SKF6305-RS1*深沟球轴承供应商

八零动力专业销售6305-RS1*深沟球轴承,库存SKF6305-RS1*大量现货,与SKF合作,咨询热线:022-58519723业务咨询
SKF6305-RS1*运转起来如此顺滑,这款轴承的制造工艺着实令人赞叹它的润滑技术,减少了润滑剂的使用 它的轴向游隙控制,精准到令人惊叹 高品质的轴承,在各种复杂环境下都能稳定发挥作用匠心制造它的精密测量技术,确保了每一件产品的品质 ,八零动力SKF深沟球轴承品种全,价格优,质量有保证!

用户关注最多的SKF轴承型号

SKF22228CCK/W33+H3128* SKF7221C SKF7236C/DF SKFBNTB322758/HB1 SKFBT2B332584A/HA2 SKFC3056K+AOH3056* SKFCR13920 SKFCR22878 SKFCR25007 SKFCR25X52X10HMSA10V SKFCR62X90X10HMS5V SKFCR60X90X10CRSHA1R SKFFY17TF SKFKMFE28 SKFOKC380

6305-RS1*深沟球轴承近似的SKF轴承型号

SKF6305-Z* SKFBB1B630533 SKF6305-2ZN SKF6305-ZN SKF6305-2RS SKF6305-2RZ* SKFW6305 SKF6305-2ZNR* SKF6305/VA201 SKF6305-2RS1* SKF6305-RS SKF6305-RZ*

用户关注最多的轴承狗热门型号

NTN  7005AC/DF 国产  6019-RS/Z3 NSK  7236BG NSK  2316K NSK  NU2305W SKF  230/800CAK/W33+AOH30/800* FLT  NUP208 SKF  N315E INA  ZMA65/105 NTN  24096B FAG  F-804272.ZL-K-C3 SKF  CR15X30X7HMS5RG 国产  RNA4904A NACHI  6019ZZ IKO  SBB80-2RS

版权所有©2009-2015 轴承狗zcgou.com ICP备案:津ICP备14004550号-13