SKF6221*轴承详细参数

发布时间:2026-04-15
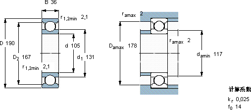
深沟球轴承, 单列, 无密封件
主要数据尺寸 基本负荷额定值 疲劳负荷限值 额定速度 体积 型号
动态 静态 参照速度 限制速度
d D B C C0 Pu * - SKF Explorer 轴承
mm kN kN r/min kg -
105190361401043,65700045003,706221 *

SKF6221*深沟球轴承供应商

八零动力专业销售6221*深沟球轴承,库存SKF6221*大量现货,与SKF合作,咨询热线:022-58519723业务咨询
SKF6221*是您值得信赖的工业伙伴,为您的机械保驾护航卓越的性能和可靠的质量,让这款轴承成为市场的宠儿承载重托品质卓越的它,为机械设备的稳定、高效运行提供了支持这轴承的制造工艺精湛,展现出了极高的工业水准不得不说,这款轴承的品质过硬,在行业内堪称典范,,八零动力SKF深沟球轴承品种全,价格优,质量有保证!

用户关注最多的SKF轴承型号

SKF22330-2CS5K/VT143* SKF31319J2/DF SKF6000/HR11TN SKF61912-2RS SKF7308BEGBP* SKF81126 SKFC31/1000KMB+OH31/1000HE* SKFC39/800KMB* SKFCR1350542 SKFCR45x75x8CRW1V SKFCR75046 SKFH314 SKFHA3124 SKFNKX20 SKFP47R-5/8FM

6221*深沟球轴承近似的SKF轴承型号

SKF6221-RS SKF62214-2RS1 SKF6221-2RS1* SKF6221N SKF62213-2RS1 SKF6221-RS1* SKF6221-2Z* SKF6221* SKF62211-2RS1 SKF62210-2RS1 SKF6220/VA201 SKF6221-2RS

用户关注最多的轴承狗热门型号

SKF  GS81292 KOYO  22217CCK/W33+H317 STEYR  6209-2RS SKF  CR87070 NSK  7908A5TYNDBLP4 KINGON  MF82X TIMKEN  72187C/72487 NTN  2309K INA  SL024918 LYC  GE60ES TIMKEN  5309K NTN  NJ217E+HJ217E NSK  24072CAMK30E4 RHP  71907C IKO  TRU7510845UU

版权所有©2009-2015 轴承狗zcgou.com ICP备案:津ICP备14004550号-13