SKF6221-RS1*轴承详细参数

发布时间:2026-05-30
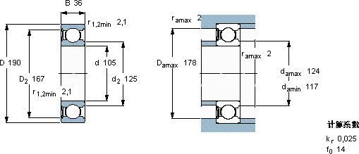
深沟球轴承, 单列, 单面密封件
主要数据尺寸 基本负荷额定值 疲劳负荷限值 额定速度 体积 型号
动态 静态 参照速度 限制速度
d D B C C0 Pu * - SKF Explorer 轴承
mm kN kN r/min kg -
105190361401043,65-22003,706221-RS1 *

SKF6221-RS1*深沟球轴承供应商

八零动力专业销售6221-RS1*深沟球轴承,库存SKF6221-RS1*大量现货,与SKF合作,咨询热线:022-58519723业务咨询
SKF6221-RS1*它的故障率极低,确保了设备的稳定运行 它的精密性,让它在高精度设备中无可替代 先进的制造工艺,让这款轴承的性能更加稳定可靠它的耐用性,让人惊叹不已 旋转无忧高精度与高可靠性的完美结合,成就了这款杰出的轴承,八零动力SKF深沟球轴承品种全,价格优,质量有保证!

用户关注最多的SKF轴承型号

SKF23096CAK/W33+OH3096H* SKF24126CC/W33* SKF53412M SKF6206N* SKF6217-Z* SKF6305/HR22T2 SKFCR113X140X13CRSH1R SKFCR14383 SKFCR14968 SKFFYJ35TF SKFKR40B SKFNJ2316ECP SKFPCMW183201.5B SKFRN-3.5x17.8BF/G2 SKFSNL3168LTURT

6221-RS1*深沟球轴承近似的SKF轴承型号

SKF62214-2RS1 SKF62211-2RS1 SKF6221-RS SKF6221-Z* SKF6221-2Z* SKF62212-2RS1 SKF6221-RS1* SKF62210-2RS1 SKF62213-2RS1 SKF6221-2RS1* SKF6221-RS SKF6221-Z*

用户关注最多的轴承狗热门型号

NTN  52411 GMN  71920C/DT TIMKEN  23272YMB INA  PAF40260-P14 INA  PAS10180-P21 TIMKEN  110FS160-TT 国产  6013-2RS KOYO  3216 NTN  7200AC/DB NACHI  6214NR LYC  24136/W33 SNR  7216C/DF FAG  21307-E1-TVPB TIMKEN  13890/13830 IKO  LWESC30...SL

版权所有©2009-2015 轴承狗zcgou.com ICP备案:津ICP备14004550号-13