SKF62212-2RS1轴承详细参数

发布时间:2026-04-15
深沟球轴承, 单列, 两面密封件
主要数据尺寸 基本负荷额定值 疲劳负荷限值 额定速度 体积 型号
动态 静态 参照速度 限制速度
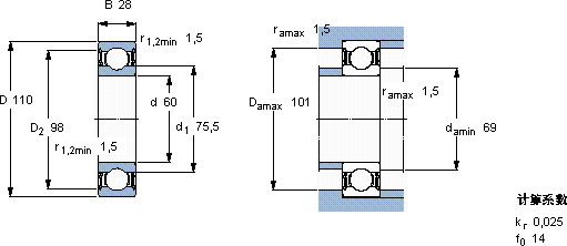
d D B C C0 Pu
mm kN kN r/min kg -
601102852,7361,53-40000,9762212-2RS1

SKF62212-2RS1深沟球轴承供应商

八零动力专业销售62212-2RS1深沟球轴承,库存SKF62212-2RS1大量现货,与SKF合作,咨询热线:022-58519723业务咨询
SKF62212-2RS1它的加工精度,确保了机械运转的稳定性 这轴承的稳定性极佳,在高速运转时也能保持良好状态它的高效率,减少了能源消耗 质量无可挑剔的轴承,在行业内树立了良好的口碑和形象其质量上乘,是众多机械设备不可或缺的优质配件坚固耐用,八零动力SKF深沟球轴承品种全,价格优,质量有保证!

用户关注最多的SKF轴承型号

SKF239/1060CAK/W33+OH39/1060H SKF6217-RS1* SKF6411N SKF718/600AC/DBVQ074 SKFAOHX3088G SKFCR15800 SKFCR25X37X5HMS5V SKFCR400751 SKFCR595636 SKFCR6990 SKFCR75x100x10CRW1R SKFK125x133x35 SKFPCM353950M SKFSAF22509 SKFSAF22620x3.3/8

62212-2RS1深沟球轴承近似的SKF轴承型号

SKF62212-2RS1 SKF62211-2RS1 SKF62213-2RS1

用户关注最多的轴承狗热门型号

RHP  7317B/DT 国产  6318-Z/Z3 SKF  FYT1.5/8WF SKF  FYTBKC30NTH LYC  6313 E NACHI  23940AXW33 FAG  B7007-C-2RSD-T-P4S FAG  231SM170-MA SKF  FYT15/16TF ZKL  NU306 SKF  CR100X130X12HMS5V NTN  N330 IKO  AZ15020542 IKO  CRB3010 IKO  LM162837F

版权所有©2009-2015 轴承狗zcgou.com ICP备案:津ICP备14004550号-13