SKF62214-2RS1轴承详细参数

发布时间:2026-04-15
深沟球轴承, 单列, 两面密封件
主要数据尺寸 基本负荷额定值 疲劳负荷限值 额定速度 体积 型号
动态 静态 参照速度 限制速度
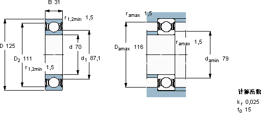
d D B C C0 Pu
mm kN kN r/min kg -
701253160,5451,9-34001,3062214-2RS1

SKF62214-2RS1深沟球轴承供应商

八零动力专业销售62214-2RS1深沟球轴承,库存SKF62214-2RS1大量现货,与SKF合作,咨询热线:022-58519723业务咨询
SKF62214-2RS1质量上乘的轴承,为设备的高效稳定运行奠定了基础它的低摩擦设计,减少了能量损耗 匠心制造它的疲劳强度,确保了长期使用的可靠性 轴承的精度极高,使得设备的运行误差被控制在极小范围内这款轴承的运转十分平稳,几乎感受不到任何震动,八零动力SKF深沟球轴承品种全,价格优,质量有保证!

用户关注最多的SKF轴承型号

SKF23244CCK/W33+OH2344H* SKF7321BECBM SKF81156 SKFBTM120A/P4CDBA SKFCR35X52X8CRWA1P SKFCR430x479.98x22HDS1V SKFCR75X120X12HMSA10RG SKFLR10x13x12.5 SKFNCF1872V SKFNU207ECJ* SKFP1.3/4FM SKFSNL3072/13.7/16TURT SKFSNL3288L SKFSYE1.11/16NH-118 SKFW628/9-2Z

62214-2RS1深沟球轴承近似的SKF轴承型号

SKF62214-2RS1 SKF62213-2RS1 SKF6221N

用户关注最多的轴承狗热门型号

SKF  3203A-2Z SKF  CR26124 LYC  6309 E-2RZ/C3Z2 SKF  3206A-RS SKF  719/710ACMB/P5 SKF  331157A NACHI  580/572 TORRINGTON  24072CACK30/W33 TIMKEN  TU-8x* FLT  NUP2214 SNR  7218B/DT FAG  LOE628-N-AF-L SKF  NNU4952BK/SPW33 SKF  30210J2/Q SKF  CR407502

版权所有©2009-2015 轴承狗zcgou.com ICP备案:津ICP备14004550号-13