SKF61968MA轴承详细参数

发布时间:2026-04-15
深沟球轴承, 单列, 无密封件
主要数据尺寸 基本负荷额定值 疲劳负荷限值 额定速度 体积 型号
动态 静态 参照速度 限制速度
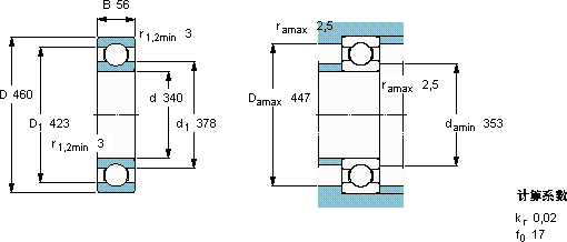
d D B C C0 Pu
mm kN kN r/min kg -
3404605628142592600220026,561968 MA

SKF61968MA深沟球轴承供应商

八零动力专业销售61968MA深沟球轴承,库存SKF61968MA大量现货,与SKF合作,咨询热线:022-58519723业务咨询
SKF61968MA它的加工精度,确保了机械运转的稳定性 品质卓越的它,在各种工况下都能展现出优异的性能它的几何精度,让机械运转分毫不差 它在电子设备中的应用,展现了它的高精密性 它的滚动体与沟槽的配合,堪称完美 高精度的轴承,为设备的稳定运行提供了坚实保障,八零动力SKF深沟球轴承品种全,价格优,质量有保证!

用户关注最多的SKF轴承型号

SKF2213E-2RS1KTN9+H313C SKF7018CE/HCP4A SKF7203BEP SKF81172M SKFC7007FB/P7 SKFCR36X62X7HMSA10V SKFCR42644 SKFCR45X60X7HMSA10V SKFHM803149/110/Q SKFNJ222ECML* SKFNNC4838CV SKFNNU4168M/W33 SKFNNU4992BK/SPW33 SKFNUP309ECNP* SKFSAF1609

61968MA深沟球轴承近似的SKF轴承型号

SKF61968 SKF61968MA SKF61968MA SKF61968MA SKF619/7

用户关注最多的轴承狗热门型号

NSK  7920CTY 国产  NN3021K/C9 NSK  7303BWDF MRC  6306N MAC  NU310 NSK  607ZZ NTN  NJ2219+HJ2219 LYC  L 68149/L68110 ASAHI  UCFU315 国产  NU338M NMB  RI-8516ZZ FAG  22330-E1-K + AHX2330G RIV  NU2318 IKO  RNA4912 IKO  NART25R

版权所有©2009-2015 轴承狗zcgou.com ICP备案:津ICP备14004550号-13