SKF619/8-2Z轴承详细参数

发布时间:2026-04-15
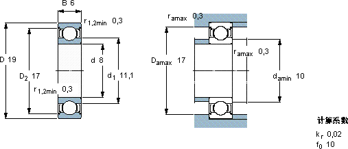
深沟球轴承, 单列, 两面防尘罩
主要数据尺寸 基本负荷额定值 疲劳负荷限值 额定速度 体积 型号
动态 静态 参照速度 限制速度
d D B C C0 Pu
mm kN kN r/min kg -
81961,90,7350,03180000400000,0071619/8-2Z

SKF619/8-2Z深沟球轴承供应商

八零动力专业销售619/8-2Z深沟球轴承,库存SKF619/8-2Z大量现货,与SKF合作,咨询热线:022-58519723业务咨询
SKF619/8-2Z从制造工艺到实际性能,这款轴承都表现得十分出色,每一次旋转,都是品质的见证,这款轴承的运转平稳,几乎听不到任何噪音,令人惊艳这轴承的精度控制令人佩服,为设备的精准运行提供了保障卓越的设计理念,赋予了这款轴承超凡的性能它的高效率,减少了能源消耗 ,八零动力SKF深沟球轴承品种全,价格优,质量有保证!

用户关注最多的SKF轴承型号

SKF22315E* SKF29480 SKF314486A SKF331190 SKF6012/HR22Q2 SKF61819-2RZ SKF61860 SKF6209-RS1* SKF7006CE/P4A SKF7221B SKFCR81390 SKFCR99282 SKFNCF3088CV SKFS71911CD/HCP4A SKFSAF22626

619/8-2Z深沟球轴承近似的SKF轴承型号

SKFW619/9-2Z SKF619/8-2RS1 SKFW619/5-2Z SKF61909-2RZ SKF61910-2RZ SKF619/530MA SKFW619/8-2Z SKF61913-RS SKF61914-2RZ SKF61908 SKF619/8-2RS1 SKF619/800MA

用户关注最多的轴承狗热门型号

INA  SL04190-PP FAG  BND3230-Z-Y-AF-S SKF  32232J2 SKF  H205 NSK  23940CAKE4 FYH  UK208+H2308 KOYO  322/22R 国产  517/368M NSK  7340BDT NACHI  29330E DKF  7032AC/DT SNR  7304AC/DF SKF  NKS32 NTN  NJ2310E FAG  2319-K-M-C3 + H2319

版权所有©2009-2015 轴承狗zcgou.com ICP备案:津ICP备14004550号-13