SKF619/750MA轴承详细参数

发布时间:2026-04-14
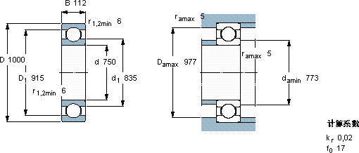
深沟球轴承, 单列, 无密封件
主要数据尺寸 基本负荷额定值 疲劳负荷限值 额定速度 体积 型号
动态 静态 参照速度 限制速度
d D B C C0 Pu
mm kN kN r/min kg -
7501000112761180025,51000850255619/750 MA

SKF619/750MA深沟球轴承供应商

八零动力专业销售619/750MA深沟球轴承,库存SKF619/750MA大量现货,与SKF合作,咨询热线:022-58519723业务咨询
SKF619/750MA它的轻量化设计,减少了材料的使用 为您的机械提供持久动力,它的品质卓越,为机械设备的高效、稳定运行保驾护航它的故障率极低,确保了设备的稳定运行 先进的制造工艺,让这款轴承的性能更加稳定可靠让您的机械如虎添翼,,八零动力SKF深沟球轴承品种全,价格优,质量有保证!

用户关注最多的SKF轴承型号

SKF23980CC/W33* SKF304223 SKF3209A* SKFBTM120A/P4CDBA SKFCR23782 SKFCR44350 SKFCR90805 SKFCR6373 SKFFYTB17FM SKFKMFE36 SKFNJ2320ECJ* SKFPCZ3240M SKFSIR80ES SKFSYF50TF SKFUC216

619/750MA深沟球轴承近似的SKF轴承型号

SKF61988MA SKF61915-2RZ SKFW619/8-2Z SKFW619/2.5-2Z SKF619/7 SKF61934 SKF61968MA SKF61909-2RS1 SKF619/6 SKF61909-2RS SKF619/710MA SKF619/8

用户关注最多的轴承狗热门型号

TIMKEN  EE134102/134144CD LYC  6306 E-2RZ/C4 DKF  7226B FAG  SNV250-L + 20228-MB + DHV228 NSK  23296CAMKE4 LYC  9278/9220 SKF  NCF3034CV 国产  7001CTA SKF  PCM161812E 国产  1215K SKF  SNW3126x4.1/2 FAG  SNV215-L + 20224-MB + TSV224 INA  RMWE12-RB/59x../30 FAG  N332-E-M1 LYC  352216 R/P4

版权所有©2009-2015 轴承狗zcgou.com ICP备案:津ICP备14004550号-13